EasyManua.ls Logo

Thytronic Pro-N NVA100X-D - Page 274

Thytronic Pro-N NVA100X-D
376 pages
Print Icon
To Next Page IconTo Next Page
To Next Page IconTo Next Page
To Previous Page IconTo Previous Page
To Previous Page IconTo Previous Page
Loading...
274
NVA100X-D - Manual - 02 - 2016
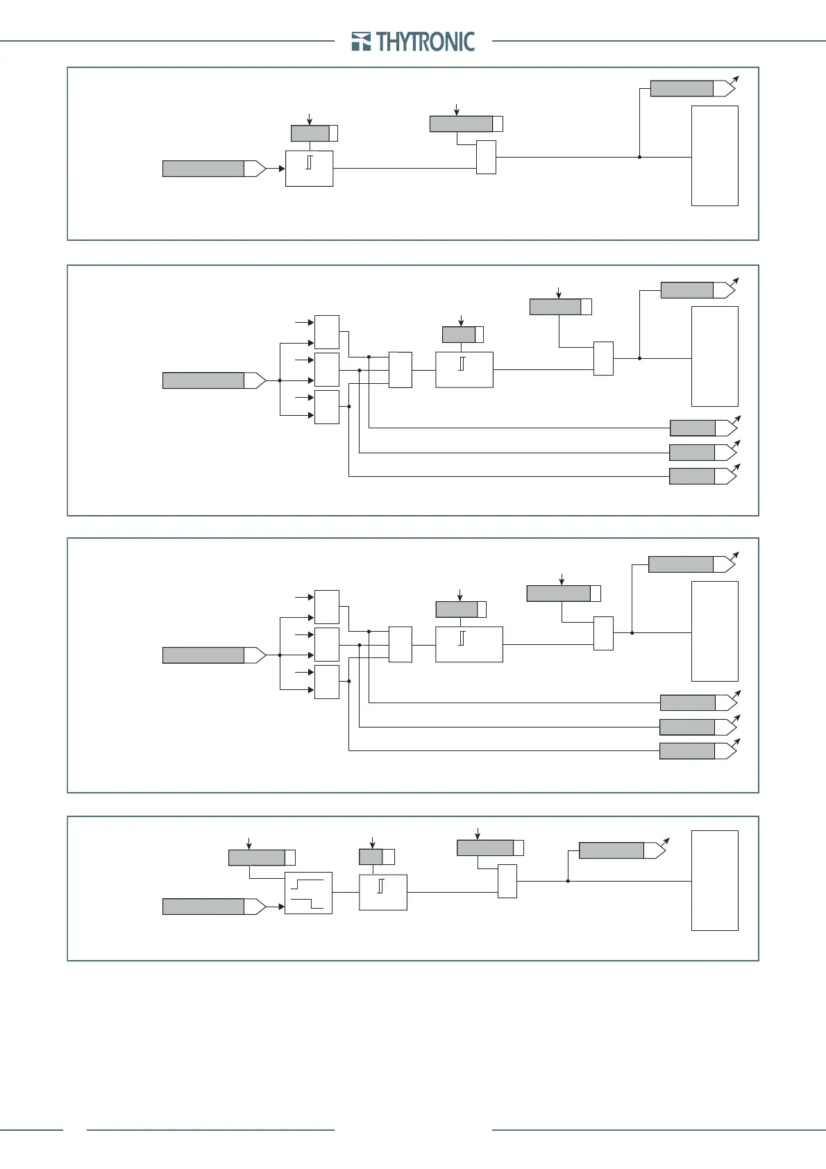
FUNCTION CHARACTERISTICS
Fun-CB-diagnostic.ai
CB Diagnostic - Number of trips
CB Diagnostic - Cumulative tripping currents
CB Diagnostic - Cumulative tripping energy I2t
CB Diagnostic - CB operating time
From CB position
N.Open-K
N.Open-L
SumI-K
SumI-L
SumI^2t-K
SumI^2t-L
tbreak-K
tbreak-L
TRIPPING MATRIX
(LED+RELAYS)
TRIPPING MATRIX
(LED+RELAYS)
TRIPPING MATRIX
(LED+RELAYS)
State N.Open
t
break
State SumI
Opening transition
N.Open
Mode-N.Open
&
From CB position
Opening transition
Mode-tOpen
Ktrig-break
&
From CB position
SumIL3
SumIL2
SumIL1
Opening transition
Sum I
SumI
Mode-SumI
Mode-SumI^2t
&
I
L2
¥
I
L1
I
Max
Max
¥
I
¥
I
I
L3
TRIPPING MATRIX
(LED+RELAYS)
State SumI^2t
State tbreak
From CB position
SumIL3^2t
SumIL2^2t
SumIL1^2t
Opening transition
Sum I^2t
Sum I^2t
&
I
L2
¥
I
L1
I2t
¥
I2t
¥
I2t
Max
Max
I
L3

Table of Contents

Related product manuals