EasyManua.ls Logo

Thytronic Pro-N NVA100X-D - Page 81

Thytronic Pro-N NVA100X-D
376 pages
Print Icon
To Next Page IconTo Next Page
To Next Page IconTo Next Page
To Previous Page IconTo Previous Page
To Previous Page IconTo Previous Page
Loading...
FUNCTION CHARACTERISTICS
81
NVA100X-D - Manual - 02 - 2016
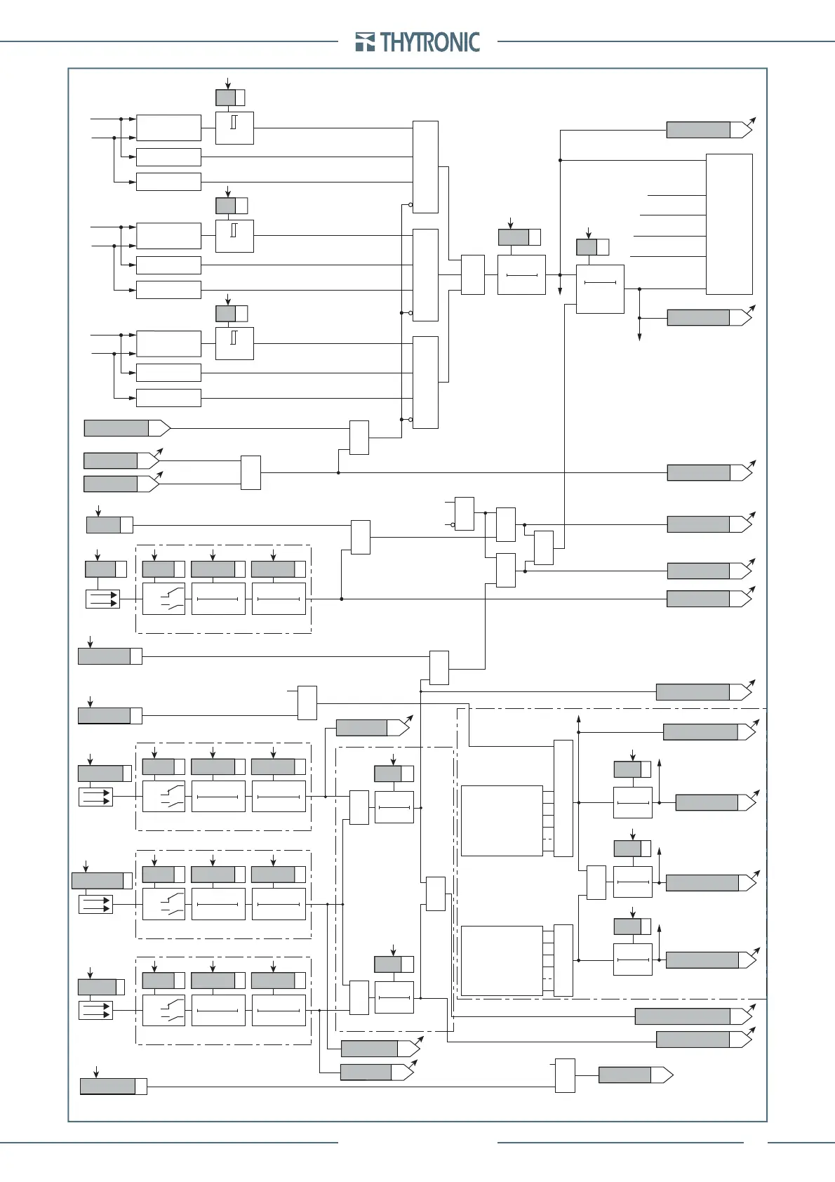
Underimpedance logic diagram (21) - First element
IPh Block2
IPh/IE Block2
T0
t
B-Iph
Fun-21_S1.ai
I
L1L
U
12
Z
12
=U
12
/I
L1L
U
12
≥1%U
n
I
L1L
5%
I
nL
&
&
&
1
Z<
I
L2L
U
23
Z
23
=U
12
/I
L1L
U
23
≥1%U
n
I
L2L
5%
I
nL
t
Z<RES
T0
RESET
t
Z
<
0T
1
1
1
1
1
1
1
t
Z
<
t
B-Iph
t
F-Iph
t
F-all
t
F-IE
t
B-IE
t
Z<RES
Z< Start
Z< Trip
Iph Block2 Start
F21S1 Block3
IF Start
74VT Block
VT fault (74VT)
from Z<< element (ONInhibit)
Z< inhibition
BF Enable (ONEnable)
BF Element
towards BF logic
Z< BF_OUT
&
Z< Block1
Z< Block2
&
&
&
&
Enable (ONEnable)
Block1 input (ONBlock)
Block1
Block2 input enable (ONEnable)
&
&
Block2 IN
Block2 output enable (ONEnable)
Block2 OUT
Block1
(=0 without fault)
=0 if 20≤f≤70 Hz
Z< Start
Z< Start
Z< Trip
Z< Trip
Z< Trip
T0
t
F-all
T0
t
F-Iph
T0
t
F-IE
Z< Block2 OUT
Z< Block2 OUT
Iph block2 output
Iph/IE block2 output
IE block2 output
Z< Start
IPh Block2 input
IPh Block2
IE Block2 input
Block2 IN
diagnostic
Block2 output
Block2 input
FROM EARTH FAULT PROTECTIONS
FROM ANY PROTECTIONS
FROM OVERCURRENT PROTECTIONS
Block1
T0
t
B-IE
IE Block2
Z
12
≤ Z<
Z<
Z
23
≤ Z<
IPh/IE Block2
IE Block2
I
L3L
U
31
Z
31
=U
12
/I
L1L
U
31
≥1%U
n
I
L3L
5%
I
nL
Z<
Z
31
≤ Z<
TRIPPING MATRIX
(LED+RELAYS)
Iph block2 output
Iph block2 Start
Block2 IN diagnostic
Iph/IE block2 output
Binary input INx (x=1...8-16)
T0
Logic
INx
t
ON
INx
t
ON
INx
t
OFF
T0
n.o.
n.c.
INx
t
OFF
Binary input INx (x=1...8-16)
T0
Logic
INx
t
ON
INx
t
ON
INx
t
OFF
T0
n.o.
n.c.
INx
t
OFF
Binary input INx (x=1...8-16)
T0
Logic
INx
t
ON
INx
t
ON
INx
t
OFF
T0
n.o.
n.c.
INx
t
OFF
Binary input INx (x=1...8-16)
T0
Logic
INx
t
ON
INx
t
ON
INx
t
OFF
T0
n.o.
n.c.
INx
t
OFF
All other BLK2OUT
outputs
of phase elements
(BLK2OUT chapter)
1
All other BLK2OUT
outputs
of ground elements
(BLK2OUT chapter)
1

Table of Contents

Related product manuals