EasyManua.ls Logo

Thytronic Pro-N NVA100X-D

Thytronic Pro-N NVA100X-D
376 pages
To Next Page IconTo Next Page
To Next Page IconTo Next Page
To Previous Page IconTo Previous Page
To Previous Page IconTo Previous Page
Loading...
FUNCTION CHARACTERISTICS
87
NVA100X-D - Manual - 02 - 2016
Fun-F27_S1.ai
1
U< Inhibition
(ON
Inhibit
)
Block 74VT
VT fault (74VT)
(=0 without fault)
U< Curve
0T
RESET
t
U<
0T
TRIPPING MATRIX
(LED+RELAYS)
t
U<def
t
U<inv
Start U<
U<ST-K
Start U<
U<TR-K
U<ST-L
U<TR-L
Trip U<
Trip U<
Trip U<
BF Enable (ONEnable)
U<BF
towards BF logic
&
BLK1U<
U< BF
&
&
&
Enable (ONEnable)
Block1 input (ONBlock)
U<BLK1
Block1
Block1
Logic27
≥1
&
Utype27
U
L1
U
12
U
L2
U
23
U
L3
U
31
Binary input INx
T0
Logic
INx
t
ON
INx
t
ON
INx
t
OFF
T0
n.o.
n.c.
INx
t
OFF
1
&
State
U<
inv
U
U<
def
U
U<
inv
U<
def
&
State
ONEnable U< undervoltage element
U< Enable
&
(ON
Inhibit
)
Disable 27 function by operator
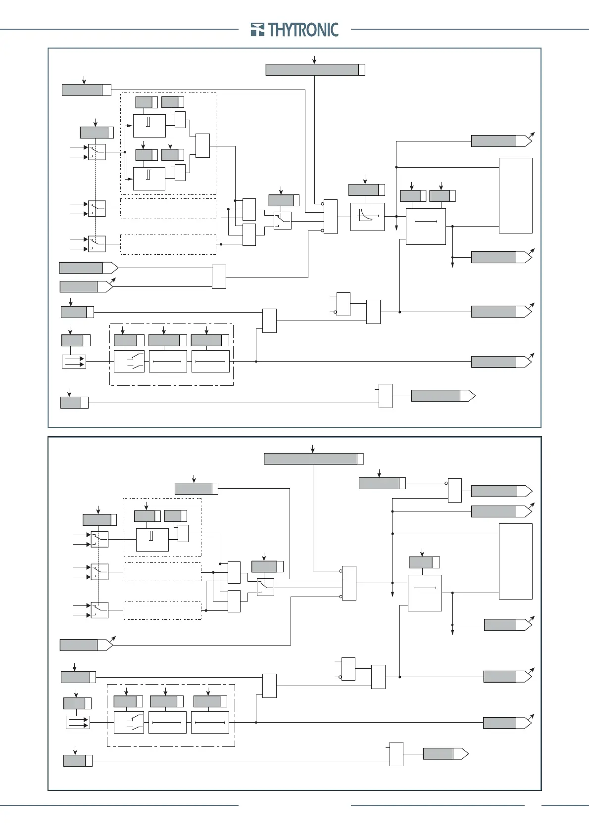
Logic diagram concerning the first threshold (U<) of the undervoltage element - 27
Fun-F27_S2.ai
Block 74VT
VT fault (74VT)
(=0 without fault)
RESET
t
U<<
0T
TRIPPING MATRIX
(LED+RELAYS)
t
U<<def
Start U<<
Trip U<<
Start U<<
Trip U<<
Trip U<<
BF Enable (ONEnable)
towards BF logic
&
U<< BF
&
&
&
Enable (ONEnable)
Block1 input (ONBlock)
Block1
Block1
&
(ON
Inhibit
)
U< Inhibition
U<disbyU<<
Binary input INx
T0
Logic
INx
t
ON
INx
t
ON
INx
t
OFF
T0
n.o.
n.c.
INx
t
OFF
U<<ST-K
U<<TR-K
U<<ST-L
U<<TR-L
U<<BF
BLK1U<<
U<<BLK1
Logic27
≥1
&
Utype27
U
L1
U
12
U
L2
U
23
U
L3
U
31
&
State
U
U<<
def
U<<
def
&
ONEnable U<< element
U<< Enable
(ON
Inhibit
)
Disable 27 function by operator
Logic diagram concerning the second threshold (U<<) of the undervoltage element - 27

Table of Contents

Related product manuals