EasyManua.ls Logo

Thytronic Pro-N NVA100X-D - Page 93

Thytronic Pro-N NVA100X-D
376 pages
Print Icon
To Next Page IconTo Next Page
To Next Page IconTo Next Page
To Previous Page IconTo Previous Page
To Previous Page IconTo Previous Page
Loading...
FUNCTION CHARACTERISTICS
93
NVA100X-D - Manual - 02 - 2016
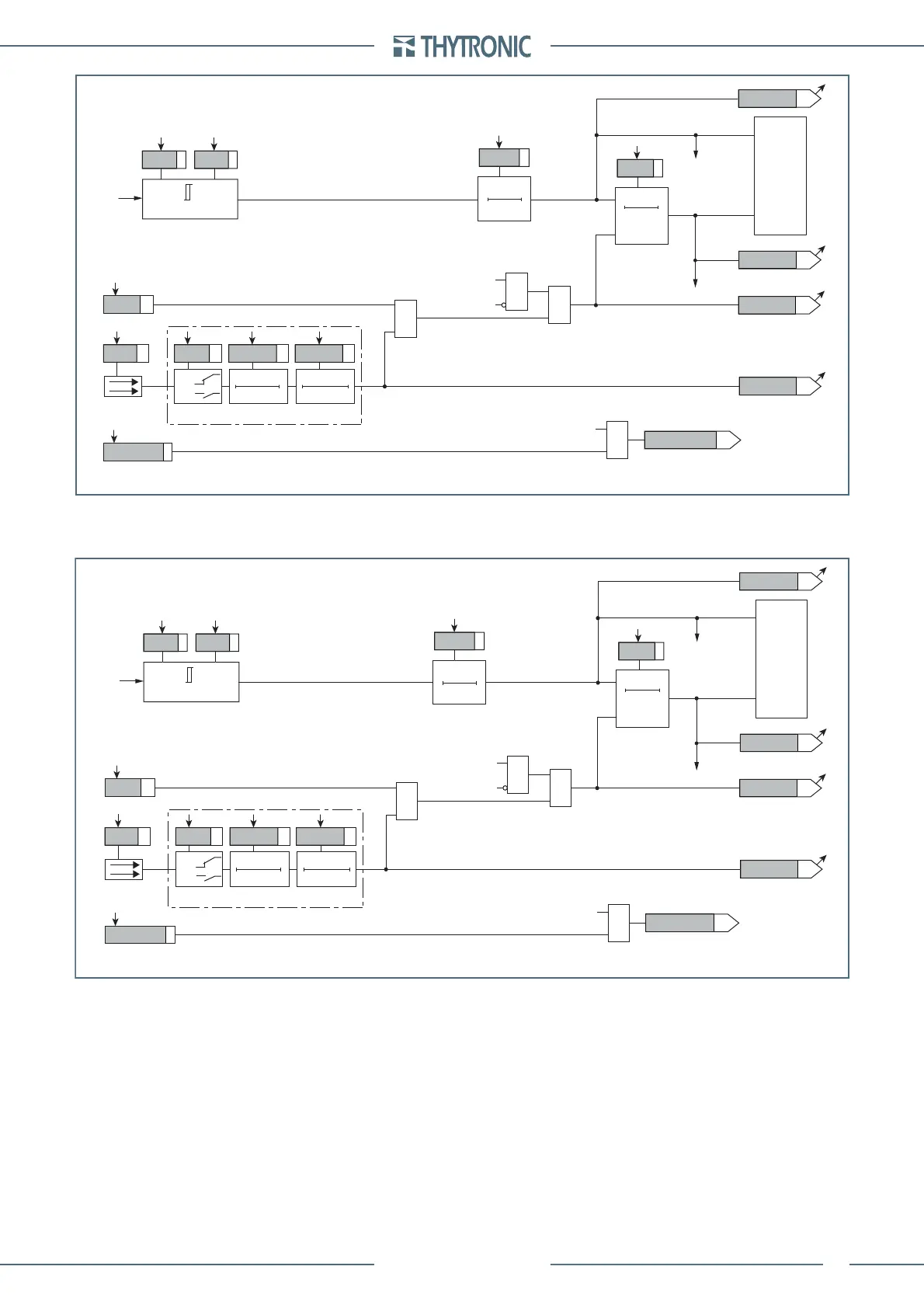
Fun_32-P2.ai
P P
2
>
def
P
2
>
Start
P
2
>
Start
P
2
>
Trip
P
2
>
Trip
RESET
t
P2
>
def
0T
TRIPPING MATRIX
(LED+RELAYS)
P
2
>
Start
P
2
>
Trip
P
2
>
Block1
P
P
2
>
Trip
&
&
&
Enable (ONEnable)
Block1 input (ONBlock)
Block1
Block1
Block1
BF Enable (ONEnable)
BF Element
P
2
>
BF_OUT
&
towards BF logic
Binary input INx
T0
Logic
INx
t
ON
INx
t
ON
INx
t
OFF
T0
n.o.
n.c.
INx
t
OFF
P2>DIR
P2>def
t
P2
>def
t
P2>RES
T0
t
P2>RES
Directional active overpower (32P) - Second element logic diagram (P2>)
Fun_32-P1.ai
P P
1
>
def
P
1
>
Start
P
1
>
Start
P
1
>
Trip
P
1
>
Trip
RESET
t
P1
>
def
0T
TRIPPING MATRIX
(LED+RELAYS)
P
1
>
Start
P1>
Trip
P
1
>
Block1
P
P
1
>
Trip
&
&
&
Enable (ONEnable)
Block1 input (ONBlock)
Block1
Block1
Block1
BF Enable (ONEnable)
BF Element
P
1
>
BF_OUT
&
towards BF logic
Binary input INx
T0
Logic
INx
t
ON
INx
t
ON
INx
t
OFF
T0
n.o.
n.c.
INx
t
OFF
P1>DIR
P1>def
t
P1
>def
t
P1>RES
T0
t
P1>RES
Directional active overpower (32P) - First element logic diagram (P1>)

Table of Contents

Related product manuals