EasyManua.ls Logo

Thytronic Pro-N NVA100X-D - Page 95

Thytronic Pro-N NVA100X-D
376 pages
Print Icon
To Next Page IconTo Next Page
To Next Page IconTo Next Page
To Previous Page IconTo Previous Page
To Previous Page IconTo Previous Page
Loading...
FUNCTION CHARACTERISTICS
95
NVA100X-D - Manual - 02 - 2016
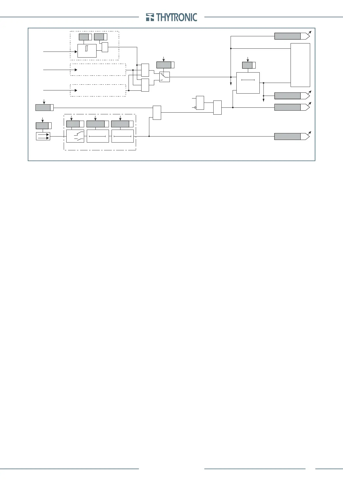
Logic diagram concerning the threshold (I<) of the undercurrent element - 37
Fun-F37_S1.ai
RESET
t
<def
0T
TRIPPING MATRIX
(LED+RELAYS)
t
<def
Start I<
I<ST-K
Start I<
I<TR-K
I<ST-L
I<TR-L
Trip I<
Trip I<
BLK1I<
&
&
&
Enable (ONEnable)
Block1 input (ONBlock)
I<BLK1
Block1
Block1
Logic37
≥1
&
I
L1L
I
L2L
I
L3L
Binary input INx (x=1...8-16)
T0
Logic
INx
t
ON
INx
t
ON
INx
t
OFF
T0
n.o.
n.c.
INx
t
OFF
&
State
I
I<
def
I<
def

Table of Contents

Related product manuals