EasyManua.ls Logo

Tracker Off-Road EViS 2020 - Page 58

Tracker Off-Road EViS 2020
154 pages
Print Icon
To Next Page IconTo Next Page
To Next Page IconTo Next Page
To Previous Page IconTo Previous Page
To Previous Page IconTo Previous Page
Loading...
B
44
Repair and Service Manual
ELECTRICAL
Read all of SAFETY and this section before attempting any procedure. Pay particular attention to Notices, Cautions, Warnings and Dangers.
10002660
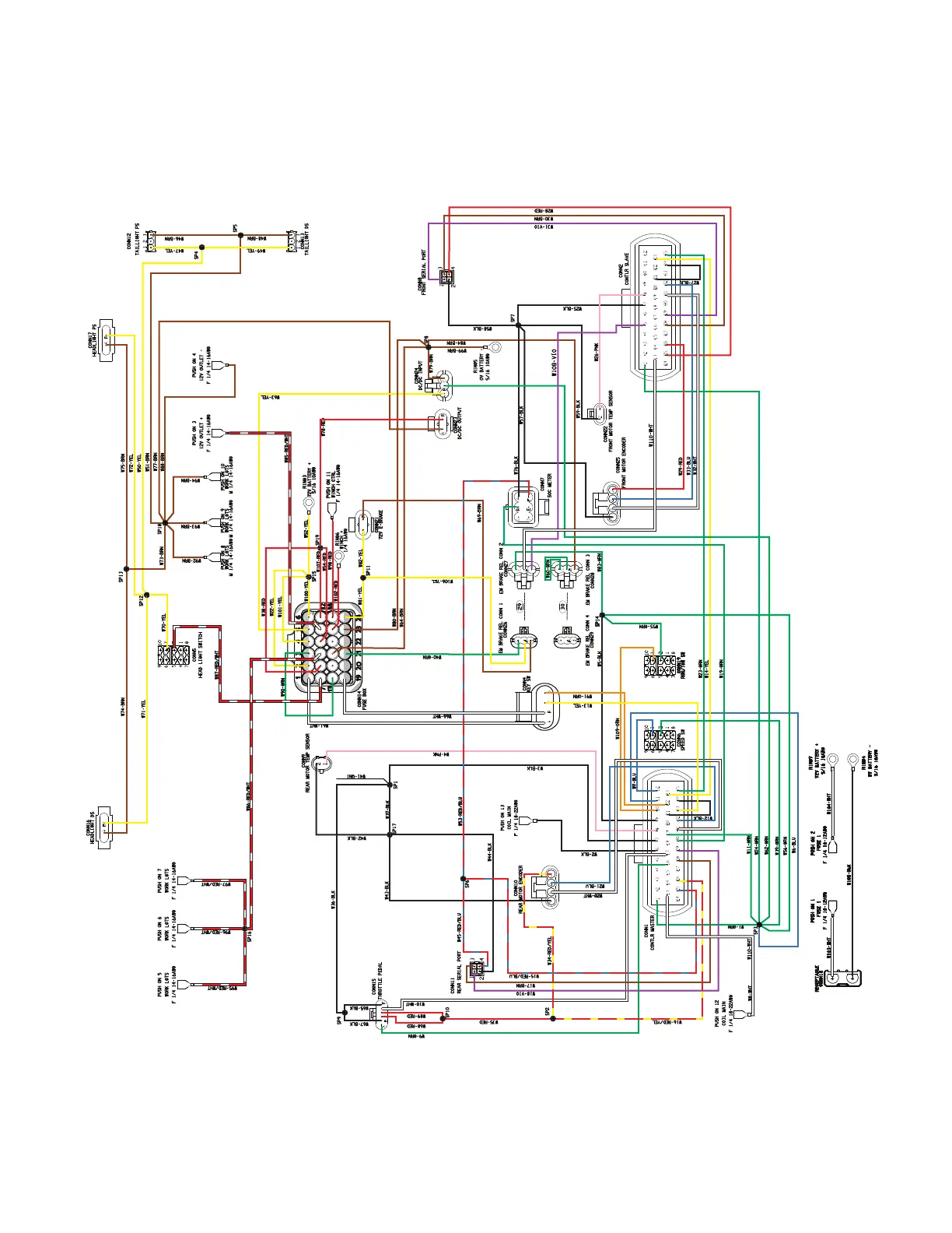
Fig. 2 Main Harness Wiring Diagram

Table of Contents