EasyManua.ls Logo

Trophy 1703 - Wiring Diagrams

Default Icon
96 pages
Print Icon
To Next Page IconTo Next Page
To Next Page IconTo Next Page
To Previous Page IconTo Previous Page
To Previous Page IconTo Previous Page
Loading...
79
Center Console Models Owner’s Manual
Supplement
Chapter 11: Electrical System
Wiring Diagrams
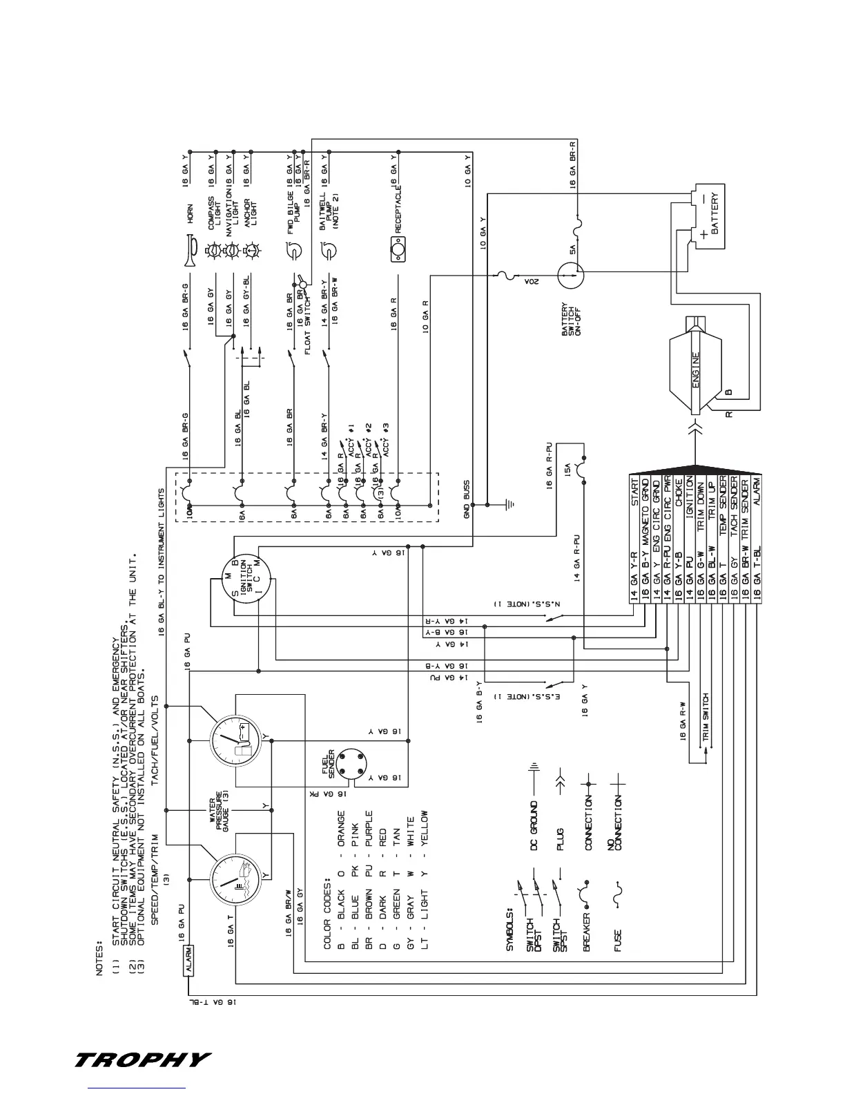
12-Volt DC Electrical System - 1703 & 1903

Table of Contents

Related product manuals