EasyManua.ls Logo

Ulvac PMB100D - Optional Attachment Figure

Ulvac PMB100D
119 pages
Print Icon
To Next Page IconTo Next Page
To Next Page IconTo Next Page
To Previous Page IconTo Previous Page
To Previous Page IconTo Previous Page
Loading...
YK11-0016-DI-002-08
56
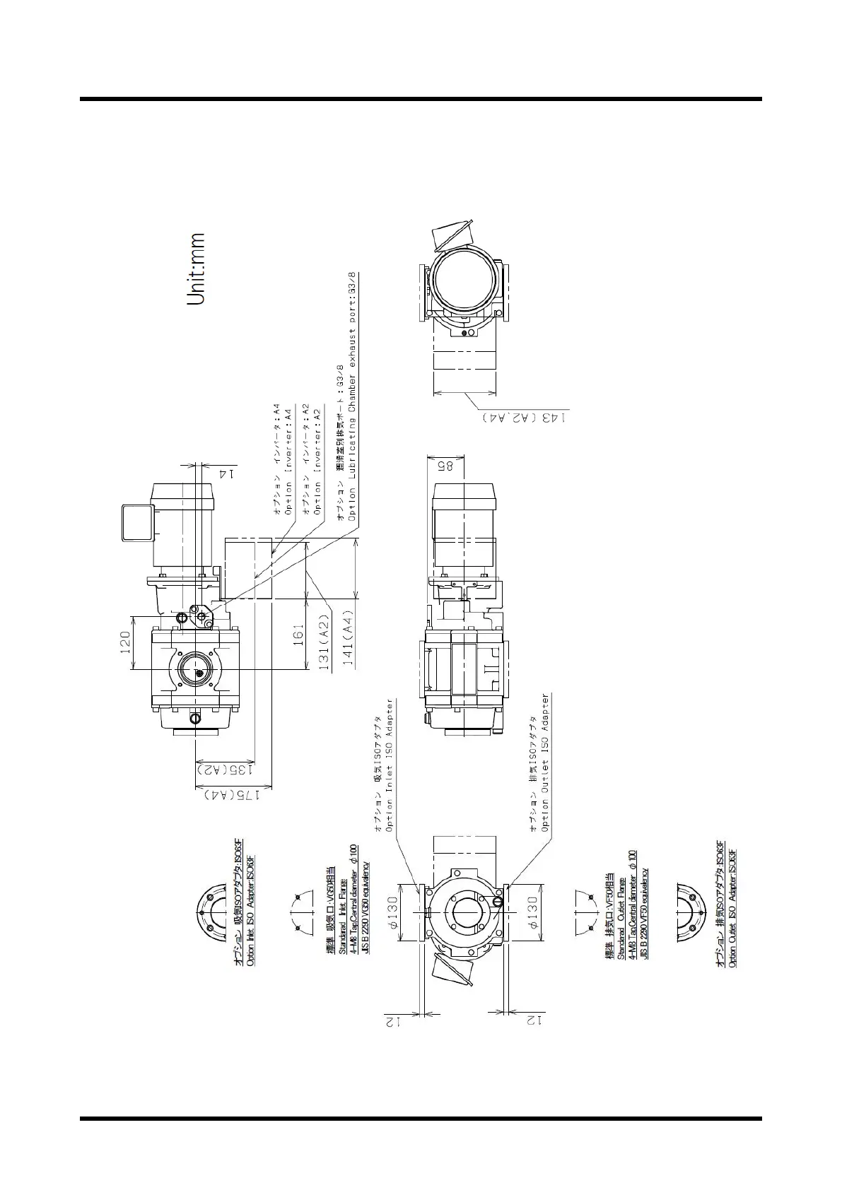
5.7 Optional attachment figure
Fig. 27 PMB100D Optional attachment figure

Table of Contents

Related product manuals