EasyManua.ls Logo

Valeo REVO-E - Way Reversing Valve Function Schematic

Valeo REVO-E
88 pages
Print Icon
To Next Page IconTo Next Page
To Next Page IconTo Next Page
To Previous Page IconTo Previous Page
To Previous Page IconTo Previous Page
Loading...
420
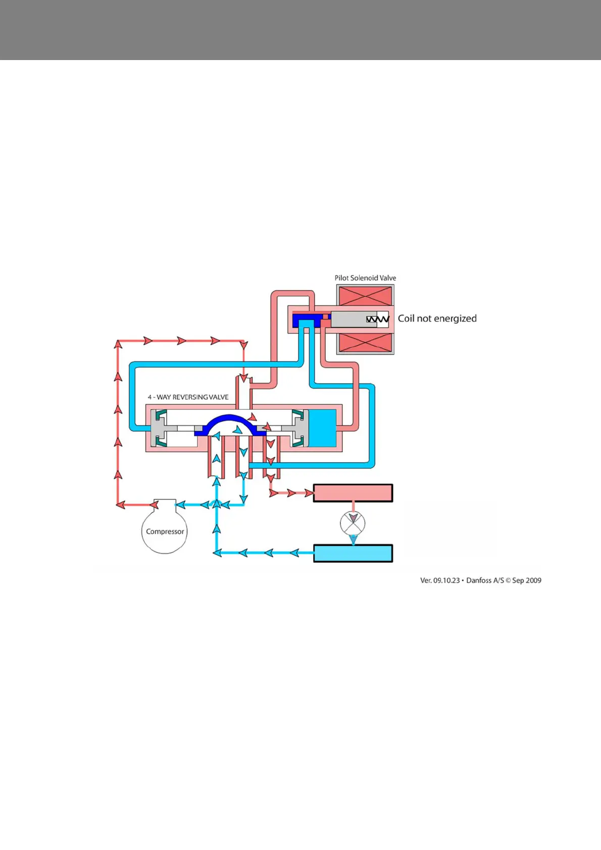
REVO-E Heat pump 4 Function and functional schematics
4.5.3 4-way reversing valve function schematic
Depending on the position, the 4-way reversing valve
activates air conditioning or heat pump operation.
4.5.3.1 Air conditioning mode
See Fig. 415.
The 4-way reversing valve is in zero position (not swit-
ched). The system is working in air-conditioning mode.
4.5.3.2 Heat Pump Mode
See Abb. 416.
The 4-way reversing valve is in heat pump mode (swit-
ched). The system is in heat pump mode. The refrigerant
circuit works in reverse.
Fig. 415 Function of the 4-way reversing valve - air condtioning

Table of Contents

Other manuals for Valeo REVO-E

Related product manuals