EasyManua.ls Logo

Valeo REVO-E - Page 56

Valeo REVO-E
88 pages
Print Icon
To Next Page IconTo Next Page
To Next Page IconTo Next Page
To Previous Page IconTo Previous Page
To Previous Page IconTo Previous Page
Loading...
610
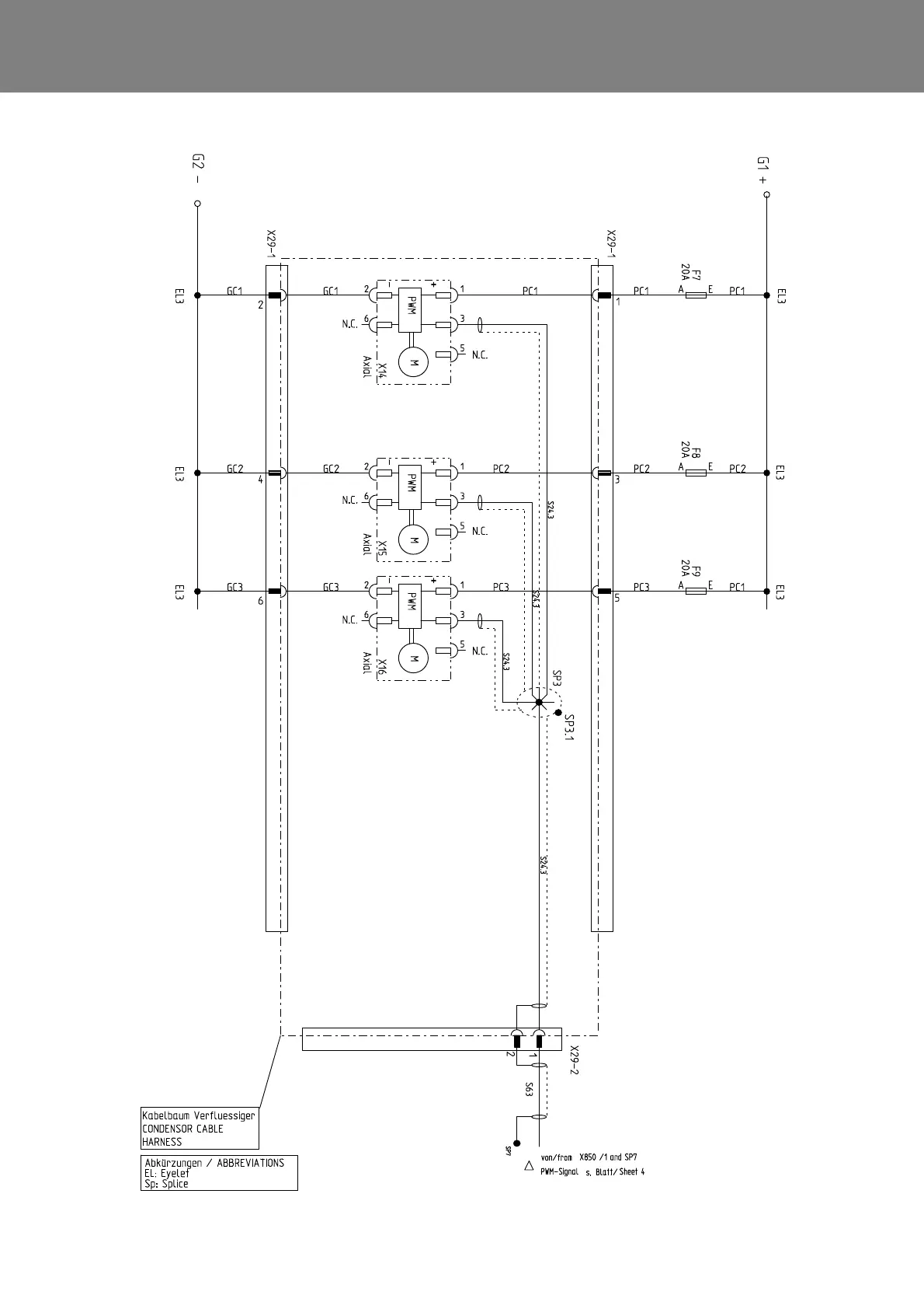
REVO-E Heat pump 6 Wiring plan
Fig. 602 Wiring diagram for REVO-E HP+ (Sheet 2)

Table of Contents

Other manuals for Valeo REVO-E

Related product manuals