EasyManua.ls Logo

VDO MR6000 - Page 131

VDO MR6000
348 pages
Print Icon
To Next Page IconTo Next Page
To Next Page IconTo Next Page
To Previous Page IconTo Previous Page
To Previous Page IconTo Previous Page
Loading...
131
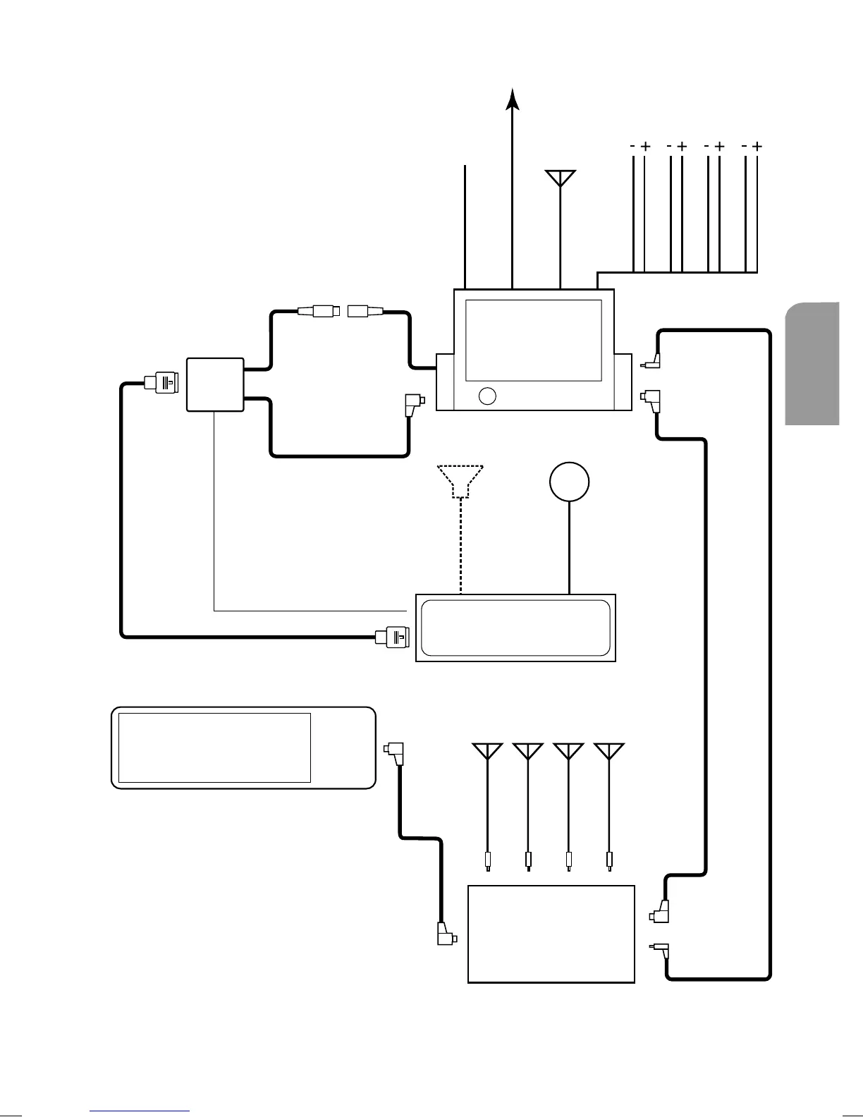
Deutsch
TV-ANTENNE
Beispielsystem 2
PC 5000
(NAVIGATION)
MW 6000
(6CD-WECHSLER)
KOMPOSIT
(CINCH)
BUS-KABEL
AUTOMATIK-ANTENNE
GPS-ANTENNE
RGB-KABEL
MINI-DIN-
KABEL (8 POL)
TEL-STUMM-
SCHALTUNG
ANTENNE
UKW-TUNER/
HAUPTGERÄT
LAUTSPRECHER (V/L)
LAUTSPRECHER (V/R)
LAUTSPRECHER (H/L)
LAUTSPRECHER (H/R)
MR 6000
(HAUPTGERÄT)
TV 6000
(TV-TUNER)
BUS-KABEL
ADAPTER-BOX
MUTE-LEITUNG –> PIN A3
RGB-KABEL

Table of Contents

Related product manuals