EasyManua.ls Logo

VDO MR6000 - Exempel På System

VDO MR6000
348 pages
Print Icon
To Next Page IconTo Next Page
To Next Page IconTo Next Page
To Previous Page IconTo Previous Page
To Previous Page IconTo Previous Page
Loading...
298
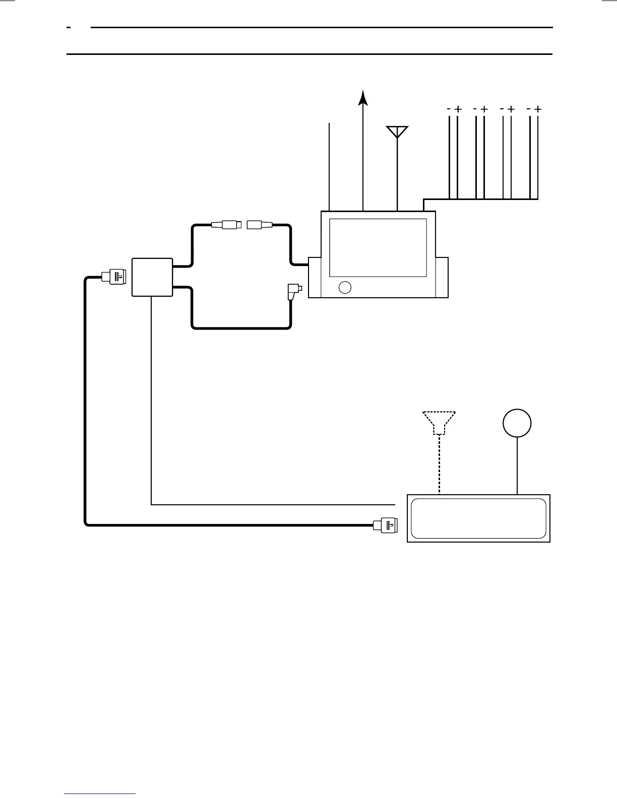
9.EXEMPEL PÅ SYSTEM
Systemexempel 1
* Anslut kompositbild videokällor över 8 pin Mini DIN
videoanslutning. Anslut RGB bildkällor över 8 pin DIN RGB-
anslutning.
* För korrekt konfiguration för apparatingångar se sidan 276.
* Om ett navigationssystem anslutits kan en CCD-kamera
inte anslutas.
AUTOMAT-ANTENN
GPS-ANTENN
RGB-KABEL
MINI-DIN-
KABEL (8 POL)
TTELEFONSTUM-
KOPPLING
ANTENN
U
KV-TUNER/
HUVUDAPPARAT
HÖGTALARE (V/F)
HÖGTALARE (V/B)
HÖGTALARE (H/F)
HÖGTALARE (H/B)
MR 6000
(HUVUDAPPARAT)
PC 5000
(NAVIGATION)
ADAPTER-BOX
MUTELEDNING –> PIN A3
RGB-KABEL

Table of Contents

Related product manuals