EasyManua.ls Logo

VDO MR6000 - Beispielsysteme

VDO MR6000
348 pages
Print Icon
To Next Page IconTo Next Page
To Next Page IconTo Next Page
To Previous Page IconTo Previous Page
To Previous Page IconTo Previous Page
Loading...
130
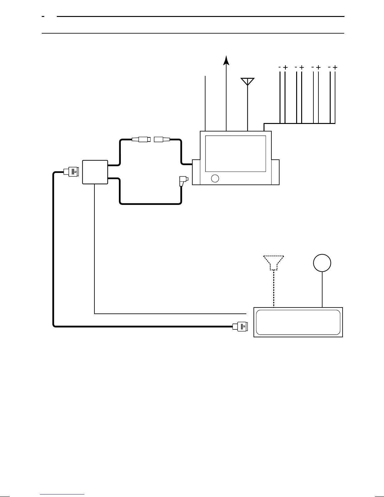
9. BEISPIELSYSTEME
Beispielsystem 1
* Kompositbild-Videoquellen über die 8-Pin Mini-DIN-Video-
buchse anschließen. RGB-Bildquellen über die 8-Pin DIN-
RGB-Buchse anschließen.
* Zur korrekten Konfiguration des Geräte-Eingangs siehe
Seite 116.
* Bei Anschluß eines Navigationssystems kann keine CCD-
Kamera angeschlossen werden.
AUTOMATIK-ANTENNE
GPS-ANTENNE
RGB-KABEL
MINI-DIN-
KABEL (8 POL)
TEL-STUMM-
SCHALTUNG
ANTENNE
UKW-TUNER/
HAUPTGERÄT
LAUTSPRECHER (V/L)
LAUTSPRECHER (V/R)
LAUTSPRECHER (H/L)
LAUTSPRECHER (H/R)
MR 6000
(HAUPTGERÄT)
PC 5000
(NAVIGATION)
ADAPTER-BOX
MUTE-LEITUNG –> PIN A3
RGB-KABEL

Table of Contents

Related product manuals