EasyManua.ls Logo

VDO MR6000 - Sistemi DI Esempio

VDO MR6000
348 pages
Print Icon
To Next Page IconTo Next Page
To Next Page IconTo Next Page
To Previous Page IconTo Previous Page
To Previous Page IconTo Previous Page
Loading...
214
9. SISTEMI DI ESEMPIO
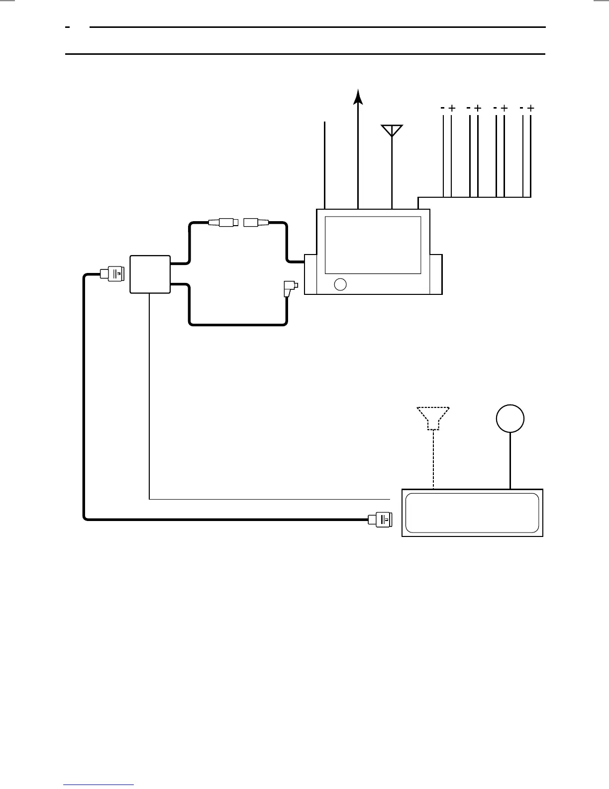
Sistemi di esempio 1
* Collegare la fonte video a immagine composta tramite la
presa video DIN Mini a 8 pin. Collegare la fonte video RGB
tramite la presa video DIN Mini a 8 pin.
* Per una configurazione corretta dell’ingresso dell’appa-
recchio vedi pag. 192.
* Con il collegamento di un sistema di navigazione non può
essere collegata una telecamera CCD.
ANTENNA AUTOMATICA
ANTENNA GPS
CAVO RGB
CAVO DIN
MINI (8 POL)
SILENZIAMENTO
TELEFONO
ANTENNA
TUNER UKW/
APPARECCHIO
PRINCIPALE
ALTOPARLANTE (V/L)
ALTOPARLANTE
(V/R)
ALTOPARLANTE
(H/L)
ALTOPARLANTE
(H/R)
MR 6000
(APPARECCHIO
PRINCIPALE)
PC 5000
(NAVIGAZIONE)
SCATOLA
ADATTATORE
LINEA MUTO –> PIN A3
CAVO RGB

Table of Contents

Related product manuals