EasyManua.ls Logo

VDO MR6000 - Eksempelsystemer

VDO MR6000
348 pages
Print Icon
To Next Page IconTo Next Page
To Next Page IconTo Next Page
To Previous Page IconTo Previous Page
To Previous Page IconTo Previous Page
Loading...
340
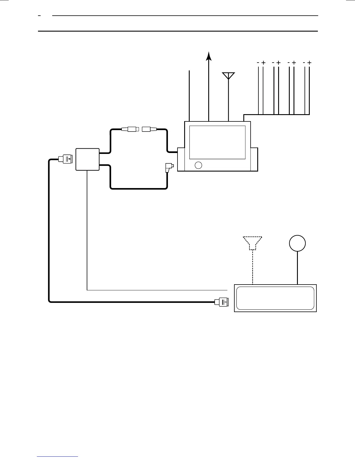
9. EKSEMPELSYSTEMER
Eksempelsystem 1
* Tilslut videokildernes kompositbillede via mini-DIN-video-
bøsningen med 8 ben. Tilslut RGB-billedkilderne via DIN-
RGB-bøsningen med 8 ben.
* Til korrekt konfiguration af apparatindgangen se side 326.
* Ved tilslutning af et navigationssystem kan der ikke til-
sluttes et CCD-kamera.
GPS-ANTENNE
RGB-KABEL
MINI-DIN-
KABEL (8 POL)
TELEFON, MUTE-
FUNKTION
ANTENNE
UHF-TUNER/
HOVEDAPPARAT
HØJTTALER (F/V)
HØJTTALER (F/H)
HØJTTALER (B/V)
HØJTTALER (B/H)
MR 6000
(HOVEDAPPARAT)
PC 5000
(NAVIGATION)
ADAPTERBOKS
MUTE-LEDNING –> BEN A3
RGB-KABEL
AUTOMATISK ANTENNE

Table of Contents

Related product manuals