EasyManua.ls Logo

VDO MR6000 - Ejemplos de Sistemas; Ejemplo de Sistema

VDO MR6000
348 pages
Print Icon
To Next Page IconTo Next Page
To Next Page IconTo Next Page
To Previous Page IconTo Previous Page
To Previous Page IconTo Previous Page
Loading...
256
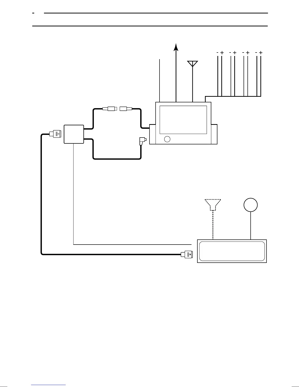
9. EJEMPLOS DE SISTEMAS
Ejemplo de sistema 1
* Conecte las fuentes de vídeo compuesto a través del conec-
tor de vídeo Mini-DIN de 8 patillas. Conecte las fuentes de
imagen RBG a través del conector DIN-RGB de 8 patillas.
* Para la configuración correcta de la entrada de disposi-
tivos, véase la página 244.
* Si está conectado un sistema de navegación no puede
conectarse una cámara CCD.
ANTENA AUTOMÁTICA
ANTENA GPS
CABLE RGB
CABLE MINI-DIN
(8 POLOS)
SUPRESIÓN DE VOLUMEN
POR LLAMADA
ANTENA
SINTONIZADOR
UKW / EQUIPO
PRINCIPAL
ALTAVOZ (V/L)
ALTAVOZ (V/R)
ALTAVOZ (H/L)
ALTAVOZ (H/R)
MR 6000
(EQUIPO PRINCIPAL)
PC 5000
(NAVEGACIÓN)
CAJA
ADAPTADORA
CABLE DE SUPRESIÓN DE VOLUMEN –> PATILLA
A3
CABLE RGB

Table of Contents

Related product manuals