EasyManua.ls Logo

VIDEOJET 3140 - Fume Extractor;Encoder;Trigger

Default Icon
104 pages
Print Icon
To Next Page IconTo Next Page
To Next Page IconTo Next Page
To Previous Page IconTo Previous Page
To Previous Page IconTo Previous Page
Loading...
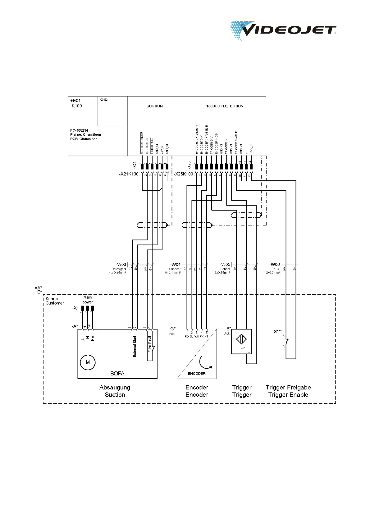
8.4.2 Fume Extractor/Encoder/Trigger
09/17 - Index: AD [EN]
82
Videojet 3140/3340/3640/8 Appendix

Table of Contents