EasyManua.ls Logo

Vigilant MX1-Au - Page 142

Default Icon
182 pages
Print Icon
To Next Page IconTo Next Page
To Next Page IconTo Next Page
To Previous Page IconTo Previous Page
To Previous Page IconTo Previous Page
Loading...
Vigilant MX1-Au Operator Manual Document: LT0439
Page 23 October 2018 Issue 1.73
11-16
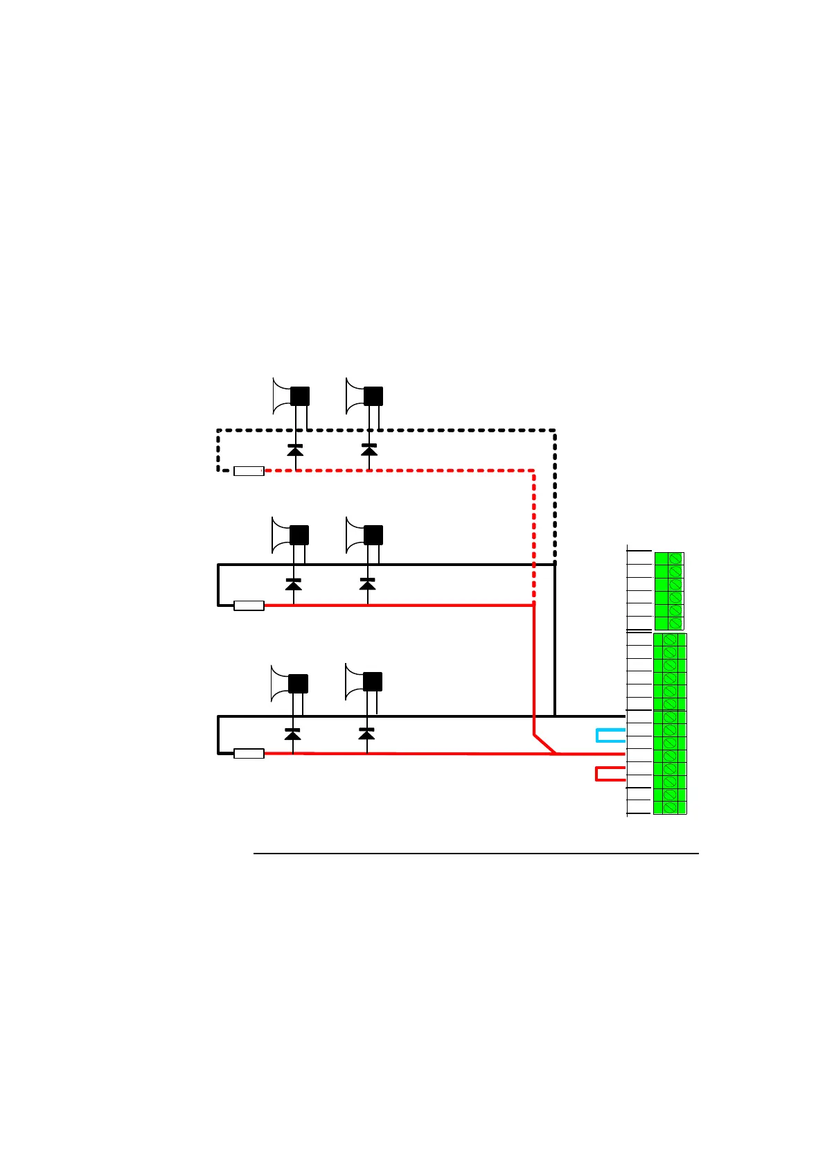
Ancillary relay ANC3 can supervise wiring to controlled loads such as
sounders, strobes and AVIs on up to three branches. This output can
switch loads up to 5A resistive at 30V. Figure 11-12 shows the
necessary wiring.
Each load must be reverse polarity isolated with a diode as shown in
Figure 11-12. A suitable diode for loads up to 1A each is 1N4004.
Inductive loads must have suppression capacitors or diodes fitted as
well.
For a single branch, the ELD is 9.1k. For two branches, each ELD is
18k. For three branches, each ELD is 27k. Suitable ELDs are
supplied with the MX1.
ELD
Diode
isolated
loads
M X 1 C O N T R O L L E R
A N C R E L A Y 1
A N C R E L A Y 2
A N C R EL A Y 3
0 V
SUP
NC
C
VBF +
NO
ELD
ELD
Figure 11-12 Wiring for Multiple Branched Loads with Supervision
MX1 can activate a QE90 EWIS in one of several ways:
Single relay output for all evacuate.
Multiple relay outputs, one for each zone activation.
RZDU high level link for individual zone activations.
Network connection for multiple zone activations.
Multiple
Branch
Loads
QE90 EWIS

Table of Contents

Other manuals for Vigilant MX1-Au