EasyManua.ls Logo

WABECO D2000 - Dimensions of D2000; Noise Emission Declaration for D2400

WABECO D2000
89 pages
Print Icon
To Next Page IconTo Next Page
To Next Page IconTo Next Page
To Previous Page IconTo Previous Page
To Previous Page IconTo Previous Page
Loading...
17
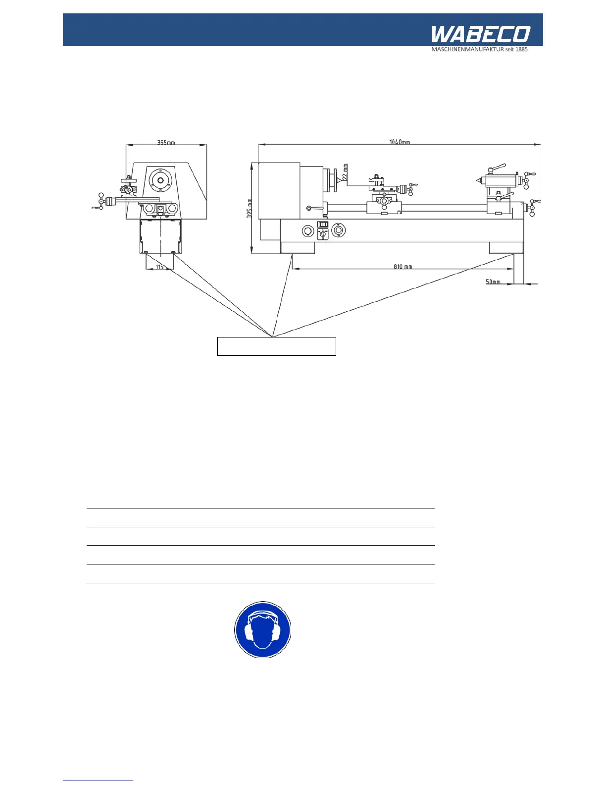
4. Specifications regarding the machine
4.2.2 Dimensions of D2000
4.3 Noise emission declaration D2400
Noise emission declaration in accordance with DIN EN ISO 3744
Emission values in idle
Emission noise level at the workplace
at 50 % = 60.8 dB (A
at 100 % = 72.0 dB (A)
Sound power level
at 50 % = 70.4 dB (A)
at 100 % = 81.9 dB (A)
With an emission noise level as of 80 dB (A) at the workplace
ear defenders must be worn
4x M8 nuts (welded on)

Table of Contents

Related product manuals