EasyManua.ls Logo

Wacker Neuson G 150 - Schematics; DC Schematic

Wacker Neuson G 150
74 pages
Print Icon
To Next Page IconTo Next Page
To Next Page IconTo Next Page
To Previous Page IconTo Previous Page
To Previous Page IconTo Previous Page
Loading...
Schematics G 150 / 180 / 240
wc_tx000879gb.fm 64
5 Schematics
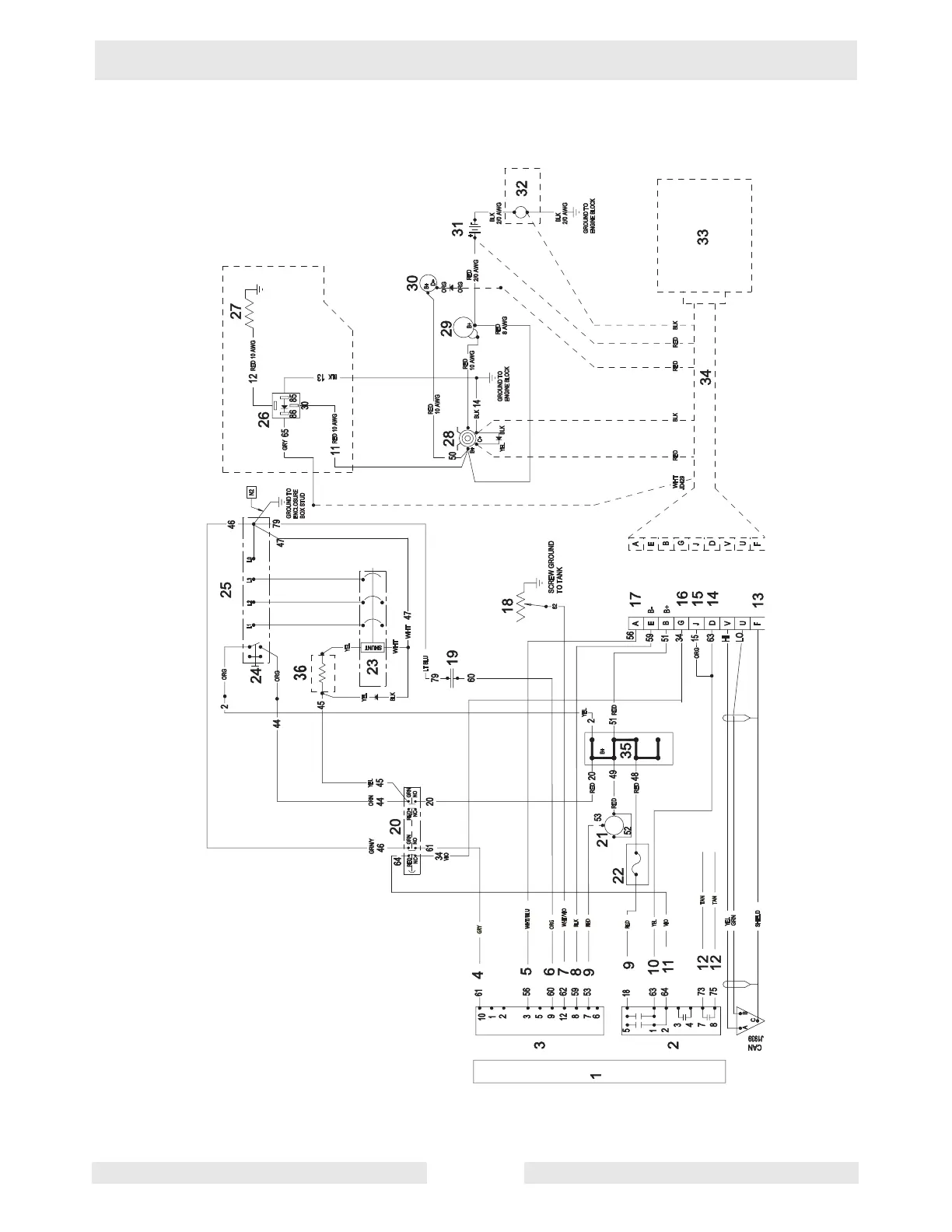
5.1 DC Schematic (G 150 / G 180 / G 240)
wc_gr005459

Table of Contents

Related product manuals