EasyManua.ls Logo

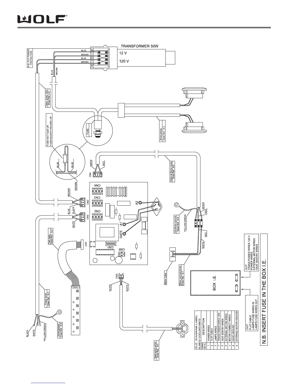
Wolf CT - Model CTWH30 Wiring Diagram

Wolf CT
98 pages
Print Icon
To Next Page IconTo Next Page
To Next Page IconTo Next Page
To Previous Page IconTo Previous Page
To Previous Page IconTo Previous Page
Loading...
Wiring / SchematicsCT Hoods and DD Ventilation
7-2
MODEL CTWH30 WIRING DIAGRAM

Related product manuals