EasyManua.ls Logo

Wolf CT - Page 79

Wolf CT
98 pages
Print Icon
To Next Page IconTo Next Page
To Next Page IconTo Next Page
To Previous Page IconTo Previous Page
To Previous Page IconTo Previous Page
Loading...
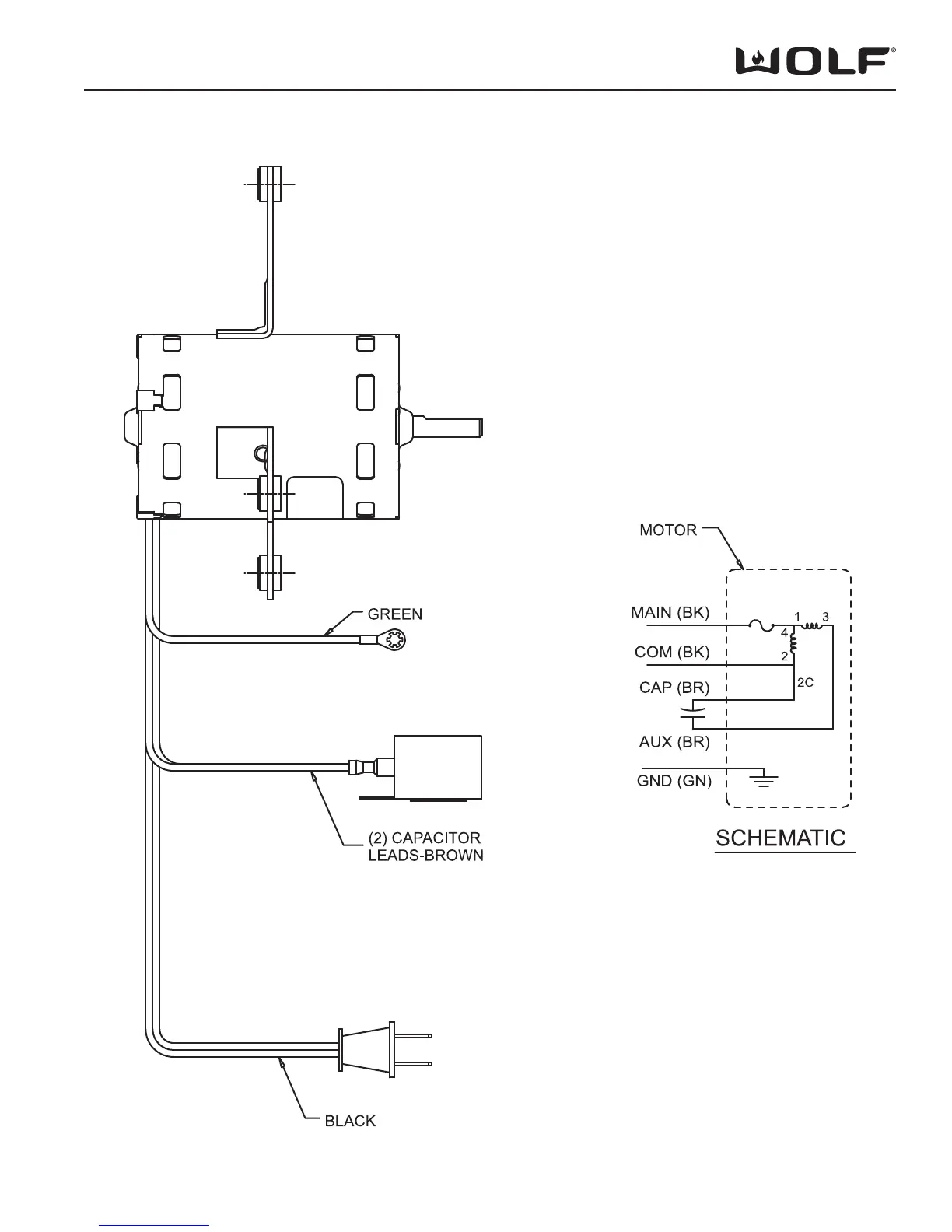
Wiring / Schematics CT Hoods and DD Ventilation
7-13
BLOWER WIRING DIAGRAM & SCHEMATIC (450/600/900INT)

Related product manuals