EasyManua.ls Logo

wsm STW37 - Auxiliary Control Valve

wsm STW37
555 pages
Print Icon
To Next Page IconTo Next Page
To Next Page IconTo Next Page
To Previous Page IconTo Previous Page
To Previous Page IconTo Previous Page
Loading...
HYDRAULIC SYSTEM
STW34, STW37, STW40, WSM
8-S20
(6) Auxiliary Control Valve
Removing Auxiliary Control Valve
See page 3-S24, 3-S36.
9Y1211109HYS0034US0
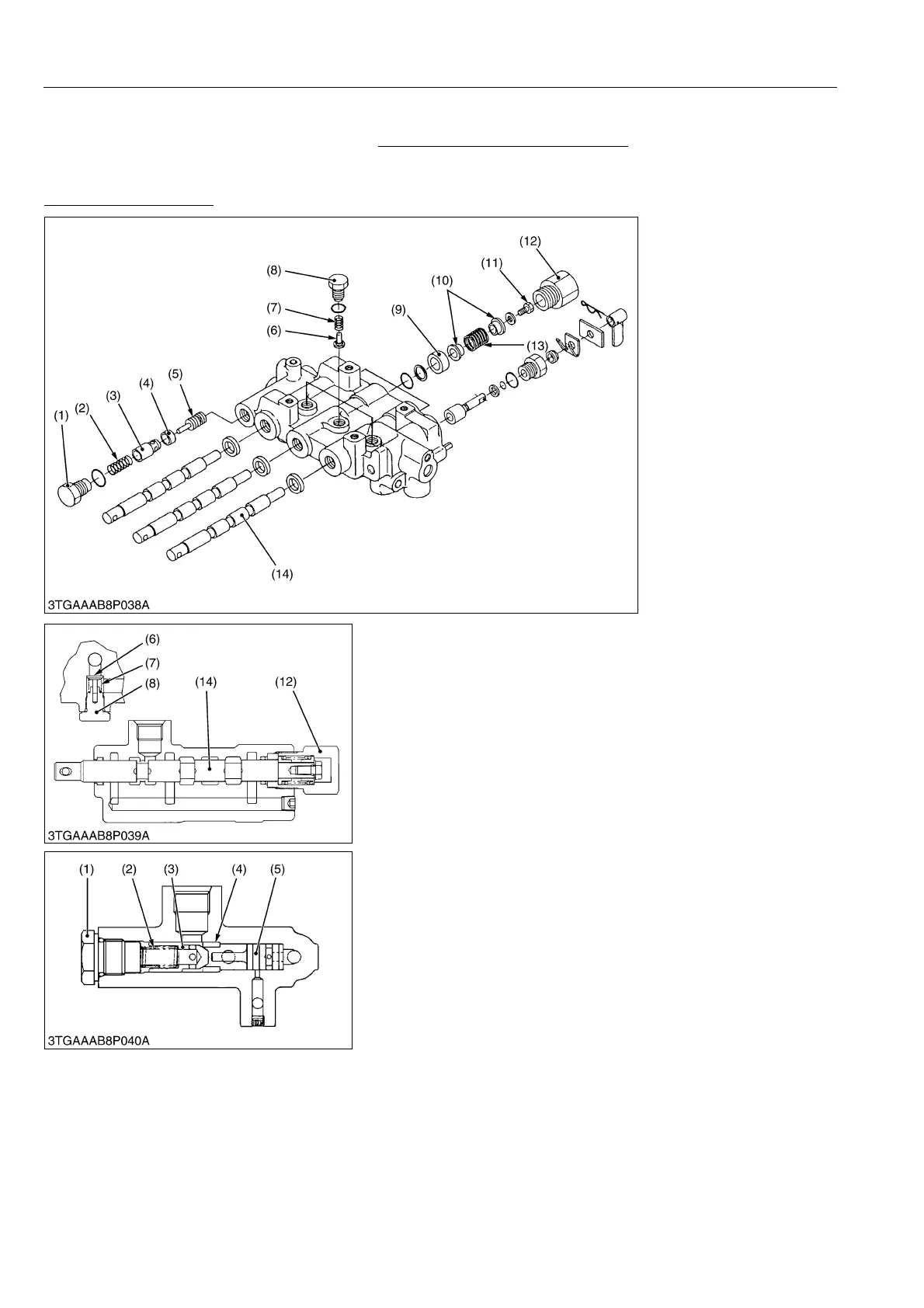
Auxiliary Control Valve
Spool and Check Valve
1. Remove the plug (12) and draw out the spool (14) as a unit.
2. Remove the plug (8) and draw out the spring (7) and check
valve (6).
Unload Valve
1. Remove the plug (1) and draw out the spring (2), poppet (3),
poppet seat (4) and pilot valve (5).
9Y1211109HYS0035US0
(1) Plug
(2) Spring
(3) Poppet
(4) Poppet Seat
(5) Pilot Valve
(6) Check Valve
(7) Spring
(8) Plug
(9) Collar
(10) Collar Retainer
(11) Return Spring Mounting
Screw
(12) Plug
(13) Return Spring
(14) Spool
KiSC issued 11, 2014 A

Table of Contents

Related product manuals