EasyManua.ls Logo

Xycom 3510T - Appendix B - Block Diagram

Default Icon
107 pages
Print Icon
To Next Page IconTo Next Page
To Next Page IconTo Next Page
To Previous Page IconTo Previous Page
To Previous Page IconTo Previous Page
Loading...
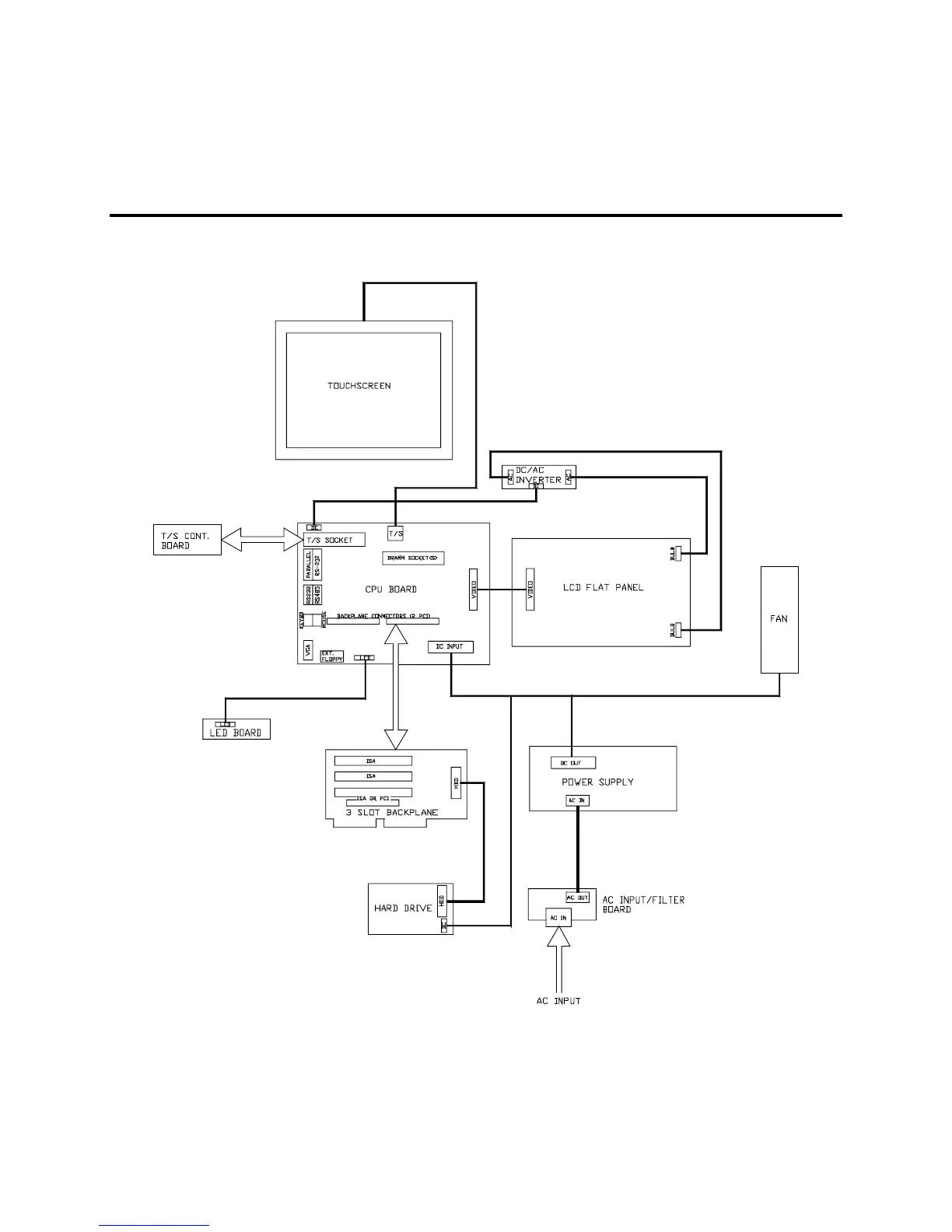
Appendix B – Block Diagram
91
Appendix B - Block Diagram
Figure B- 1. 3500 3-slot System Block Diagram

Table of Contents

Other manuals for Xycom 3510T