EasyManua.ls Logo

XYZ Machine Tools SMX 5000 - SMX3500 - Z Axis Drive Assembly

Default Icon
171 pages
Print Icon
To Next Page IconTo Next Page
To Next Page IconTo Next Page
To Previous Page IconTo Previous Page
To Previous Page IconTo Previous Page
Loading...
95
XYZ Machine Tools Ltd
XYZ Bed Mill Safety, Installation, Maintenance, Service & Parts List Manual
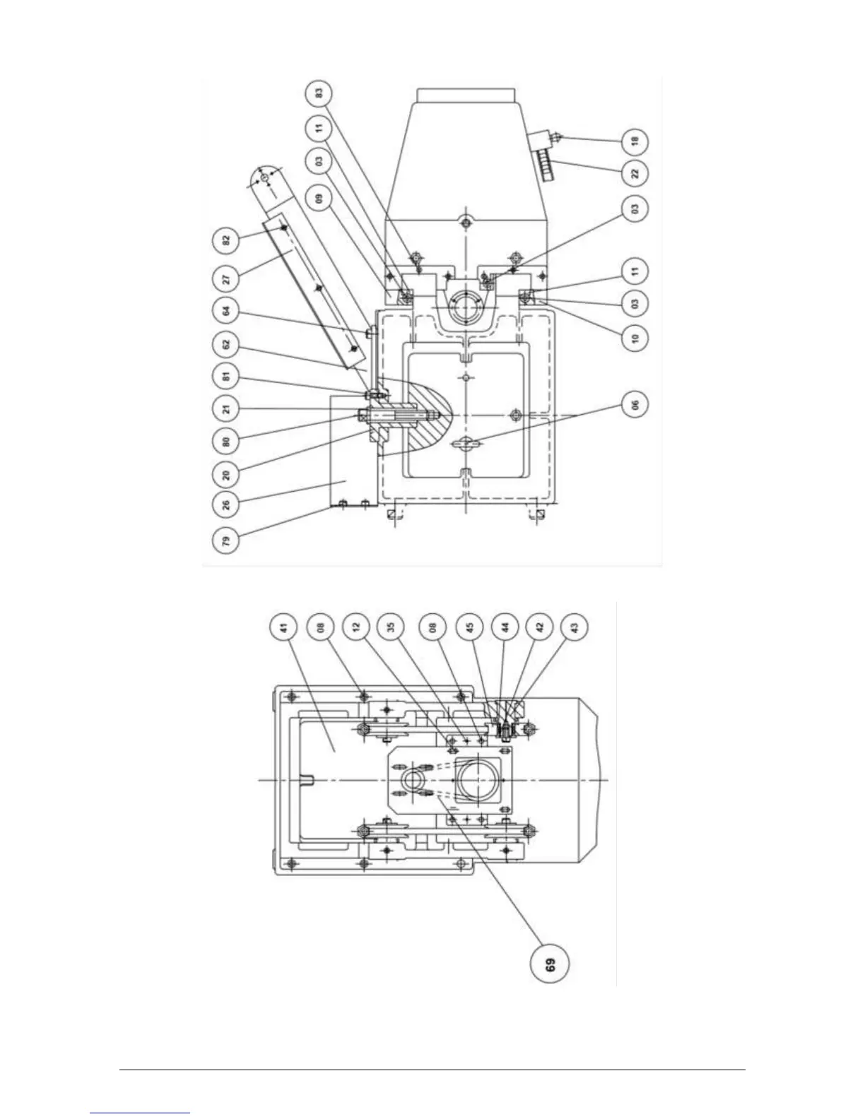
Figure 28b SMX 3500 Z Axis Drive Assembly
Figure 28c SMX 3500 Z Axis Drive Assembly (Top View)

Table of Contents

Related product manuals