EasyManua.ls Logo

Yamaha EF7200E - Page 239

Yamaha EF7200E
484 pages
Print Icon
To Next Page IconTo Next Page
To Next Page IconTo Next Page
To Previous Page IconTo Previous Page
To Previous Page IconTo Previous Page
Loading...
– 52 –
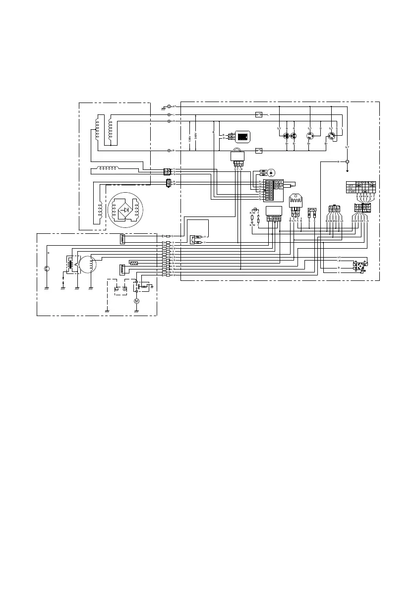
DIAGRAMMA DI CABLAGGIO
EF7200DE
Codice colore
B Nero
Br Marrone
G Verde
L Blu
Lg Verde chiaro
O Arancione
R Rosso
W Bianco
Y Giallo
B/W Nero/Bianco
G/R Verde/Rosso
G/Y Verde/Giallo
L/R Blu/Rosso
L/W Blu/Bianco
R/B Rosso/Nero
R/G Rosso/Verde
R/W Rosso/Bianco
1
2
5
4
6
7
7
8 8
8 8
0
q
w
r
e
t
u
i
p
a
s
d
f
g
h
j
k
l
;
o
y
3
9
1 Gruppo rotore
2 Induttore di campo del tra-
sduttore
3 Bobina secondaria
4 Bobina principale
5 Gruppo statore
6 Voltmetro/contaore
7 Interruttore CA (senza fusi-
bile)
8 Presa CA
9 Interruttore del motore
0 Rettificatore
q Terminale telecomando
w Fusibile
e Rettificatore/regolatore
r Regolatore di tensione
t Condensatore
y AVR
u Unità avvertenza olio
i Spia dell’olio
o Unità di controllo risparmio
energetico
p Valvola solenoide
a Interr uttore di controllo
risparmio energetico
s Relè dispositivo di avvia-
mento
d Motorino di avviamento
f Dispositivo di riscaldamento
del carburatore
g Valvola solenoide carburatore
h Batteria
j Bobina di carica
k Unità T.C.I.
l Candela
; Interruttore livello olio
7P6-F8199-U0-H0.indd 52 2014/02/19 15:34:16

Table of Contents

Other manuals for Yamaha EF7200E

Related product manuals