EasyManua.ls Logo

Yamaha EF7200E - Page 240

Yamaha EF7200E
484 pages
Print Icon
To Next Page IconTo Next Page
To Next Page IconTo Next Page
To Previous Page IconTo Previous Page
To Previous Page IconTo Previous Page
Loading...
– 53 –
EF7200E
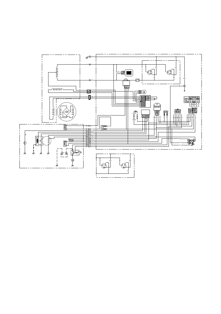
Codice colore
B Nero
Br Marrone
G Verde
L Blu
Lg Verde chiaro
O Arancione
R Rosso
W Bianco
Y Giallo
B/W Nero/Bianco
G/R Verde/Rosso
G/Y Verde/Giallo
L/R Blu/Rosso
L/W Blu/Bianco
R/B Rosso/Nero
R/G Rosso/Verde
R/W Rosso/Bianco
1
2
4
5
6
7
8 8
8 8
0
q
w
r
e
t
u
i
p
a
s
d
f
g
h
j
k
l
;
o
y
3
9
å
1 Gruppo rotore
2
Induttore di campo del trasduttore
3 Bobina secondaria
4 Bobina principale
5 Gruppo statore
6 Voltmetro/contaore
7
Interruttore CA (senza fusibile)
8 Presa CA
9 Interruttore del motore
0 Rettificatore
q Terminale telecomando
w Fusibile
e Rettificatore/regolatore
r Regolatore di tensione
t Condensatore
y AVR
u Unità avvertenza olio
i Spia dell’olio
o Unità di controllo risparmio
energetico
p Valvola solenoide
a Interr uttore di controllo
risparmio energetico
s
Relè dispositivo di avviamento
d Motorino di avviamento
f Dispositivo di riscaldamento
del carburatore
g
Valvola solenoide carburatore
h Batteria
j Bobina di carica
k Unità T.C.I.
l Candela
; Interruttore livello olio
å Eccetto che per l’OCEANIA
Per l’OCEANIA
7P6-F8199-U0-H0.indd 53 2014/02/19 15:34:17

Table of Contents

Other manuals for Yamaha EF7200E

Related product manuals