EasyManua.ls Logo

YASKAWA iQpump Micro CIMR-PW Series

YASKAWA iQpump Micro CIMR-PW Series
444 pages
To Next Page IconTo Next Page
To Next Page IconTo Next Page
To Previous Page IconTo Previous Page
To Previous Page IconTo Previous Page
Loading...
u
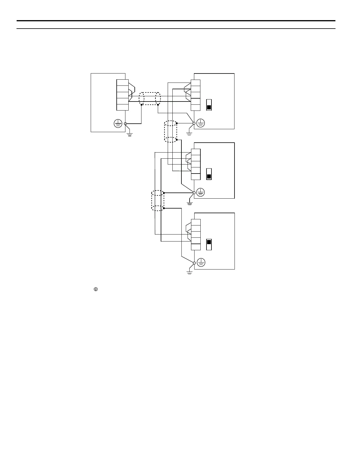
Wiring Diagram for Multiple Connections
Figure C.3 and Figure C.4 explain the wiring diagrams for multiple connections using MEMOBUS/Modbus communication.
n
RS-485 Interface
Note: The isolated ground (IG) connection is optional but strongly recommended to improve network immunity to electrical interference.
Drive
Drive
Drive
S2
S2
S2
S–
S+
R–
R+
IG
S–
S+
R–
R+
IG
S–
S+
R–
R+
IG
OFF
OFF
ON
R–
R+
S–
S+
IG
Controller
<2>
<1>
<1>
<1>
<1>
<1> The Ground symbol represents a direct electrical connection to the Earth.
Connect the shield to ground at the controller side only if common mode noise issues are suspected.
<2> The IG terminal is the signal common point for the RS-485 transceiver chip power supply.
Connect the isolated ground IG between all nodes to help prevent the coupling of external noise
to the bus and to limit bus emissions if desired.
<2>
<2>
<2>
Figure C.3 RS-485 Interface
Note: 1. Set DIP switch S2 to the ON position on the drive located at the end of the network. Set DIP switch S2 to the OFF positions on all other
slave devices.
2. Set H5-07 to 1 when using the RS-485 interface.
C.4 Connecting to a Network
388
YASKAWA TOEP YAIQPM 03B YASKAWA AC Drive - iQpump Micro User Manual

Table of Contents

Related product manuals