EasyManua.ls Logo

YASKAWA Varispeed G7 Series - Page 348

YASKAWA Varispeed G7 Series
541 pages
Print Icon
To Next Page IconTo Next Page
To Next Page IconTo Next Page
To Previous Page IconTo Previous Page
To Previous Page IconTo Previous Page
Loading...
Individual Functions
6-
115
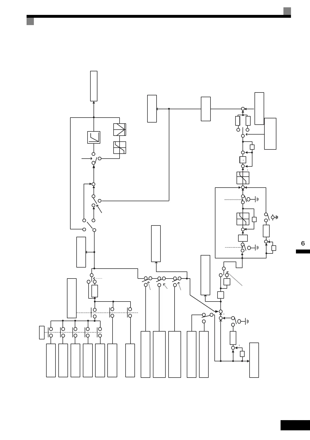
PID Control Block
The following diagram shows the PID control block in the Inverter.
Fig 6.65 PID Control Block
Option Card
Serial Com
Terminal A1
d1-01
d1-02
d1-16
MEMOBUS communications
register 06 H PID target value
Pulse train input
Z
-1
b5-05
Derivative (D)
time
+
+
P
b1-01
0
1
2
3
4
Frequency reference
using multi-step command
PID input volume
(U1-36)
Set PID target value in
multi-function analog input
Set bit 1 of MEMOBUS
register 0FH to 1
b5-01 = 2,4
b5-01 = 1,3
Proportional
gain (P)
b5-02
+
+
b5-17
Pulse input terminal RP
H6-01 = 2
Pulse input terminal RP
PID feed-back
value (U1-24)
-1
Select multi-function inputs
PID input characteristics
0
1
PID SFS Cancel
H6-01 = 1
Output frequency
(U1-02)
1
T
b5-05
T
1
-1
PID output
gain (b5-10)
Z
-1
Z
-1
Z
-1
Frequency reference
(U1-01)
PID target value
(U1-38)
Integral
(I) time
b5-03
Store integral using
multi-function inputs
Integral (I)
time
b5-04
b5-01 = 1,3
b5-01 = 2,4
Derivative
time
Integral rset using
multi-function inputs
PID upper
limit
b5-06
PID Limit
PID first order lag
time constant
b5-08
PID offset
adjustment (b5-07)
Select PID output
characteristics selection
(b5-09)
+
+
+
+
+
+
+
+
+
+
PID output monitor
(U1-37)
b5-01 = 0
b5-01 = 3,4
b5-01 = 1,2
PID ON
PID OFF
Multi-function input PID control cancel
signal is ON. PID is OFF under the
following conditions:
b5-01 = 0
During JOG command input
b5-11 = 0
b5-11 = 1
Enable/disable reverse operation
when PI output is negative
Upper limit
Fmax x109%
Lower limit 0
Upper limit
Fmax x109%
Lower limit
-(Fmaxx109%)
+
+
0
+
1
1
Terminal A2 or A3 PID
target value
Terminal A2 or A3 PID
feedback
H3-05 or
H3-09 = B
TOE-S616-60.1.book 115 ページ 017年8月4日 金曜日 午後3時41分

Table of Contents

Related product manuals