EasyManua.ls Logo

YOKOGAWA F3CU04-0S - C1.2 Cascade Control

YOKOGAWA F3CU04-0S
260 pages
To Next Page IconTo Next Page
To Next Page IconTo Next Page
To Previous Page IconTo Previous Page
To Previous Page IconTo Previous Page
Loading...
C1-4
IM 34M06H62-02E 2nd Edition : June 2008-00
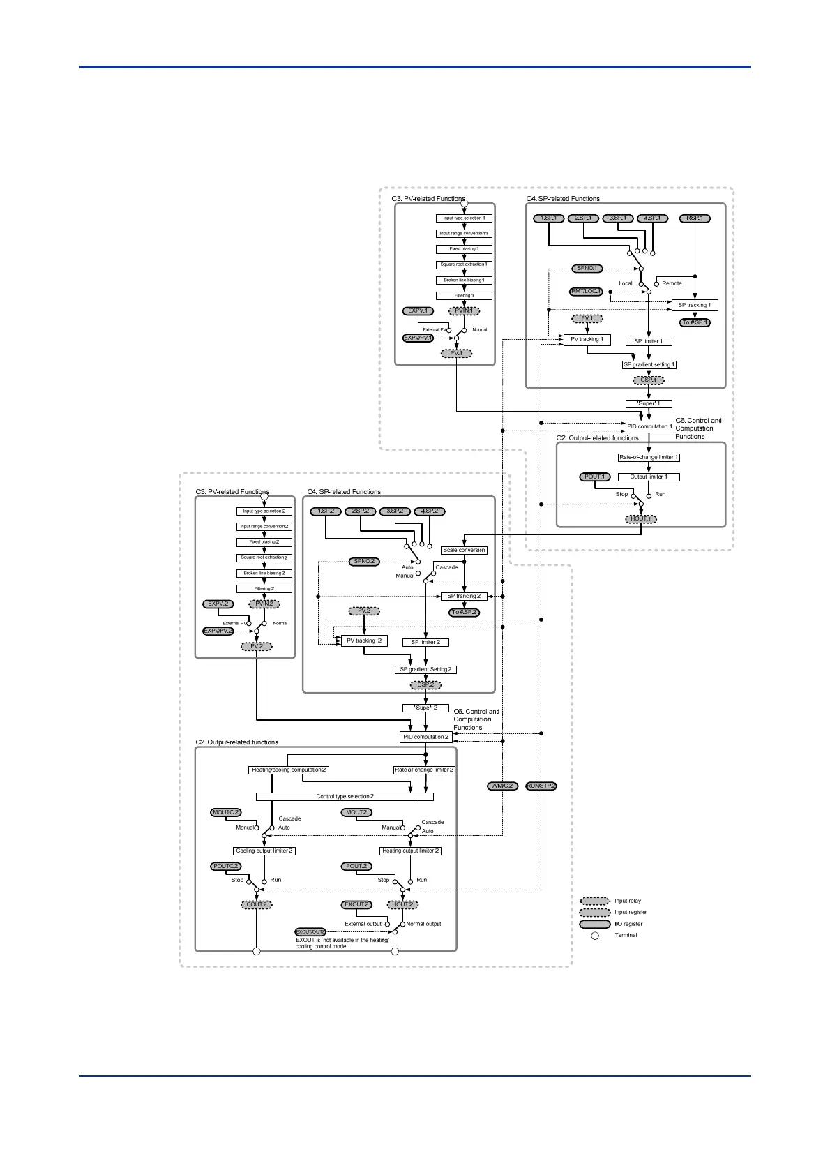
C1.2 Cascade Control
When the controller mode is set to Cascade Control, a pair of controller loops 1 and 2 or
a pair of controller loops 3 and 4 form a cascaded loop. In cascade control mode,
parameters of the even-numbered controller loop (2 or 4) are used for run/stop and other
operations.
This flowchart illustrates the module functions as functional blocks. Some details are omitted intentionally to facilitate
reading. For details on each functional block, see the relevant section indicated.
Figure C1.2 Overview of Cascade Control

Table of Contents

Related product manuals