EasyManua.ls Logo

York YLUA0078 - Page 62

York YLUA0078
164 pages
Print Icon
To Next Page IconTo Next Page
To Next Page IconTo Next Page
To Previous Page IconTo Previous Page
To Previous Page IconTo Previous Page
Loading...
JOHNSON CONTROLS
62
FORM 150.73-NM1
ISSUE DATE: 09/04/2020
SECTION 5 – TECHNICAL DATA
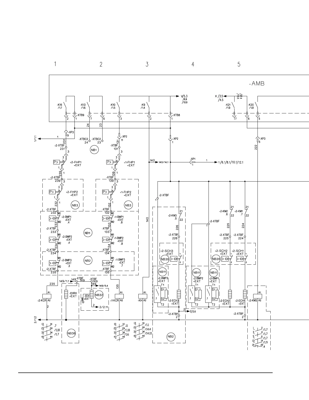
FIGURE 11 - ELEMENTARY WIRING DIAGRAM (CONT’D)
035-21583-102 REVD

Table of Contents

Related product manuals