EasyManua.ls Logo

York YLUA0078 - Page 65

York YLUA0078
164 pages
Print Icon
To Next Page IconTo Next Page
To Next Page IconTo Next Page
To Previous Page IconTo Previous Page
To Previous Page IconTo Previous Page
Loading...
JOHNSON CONTROLS
65
SECTION 5 – TECHNICAL DATA
FORM 150.73-NM1
ISSUE DATE: 09/04/2020
55
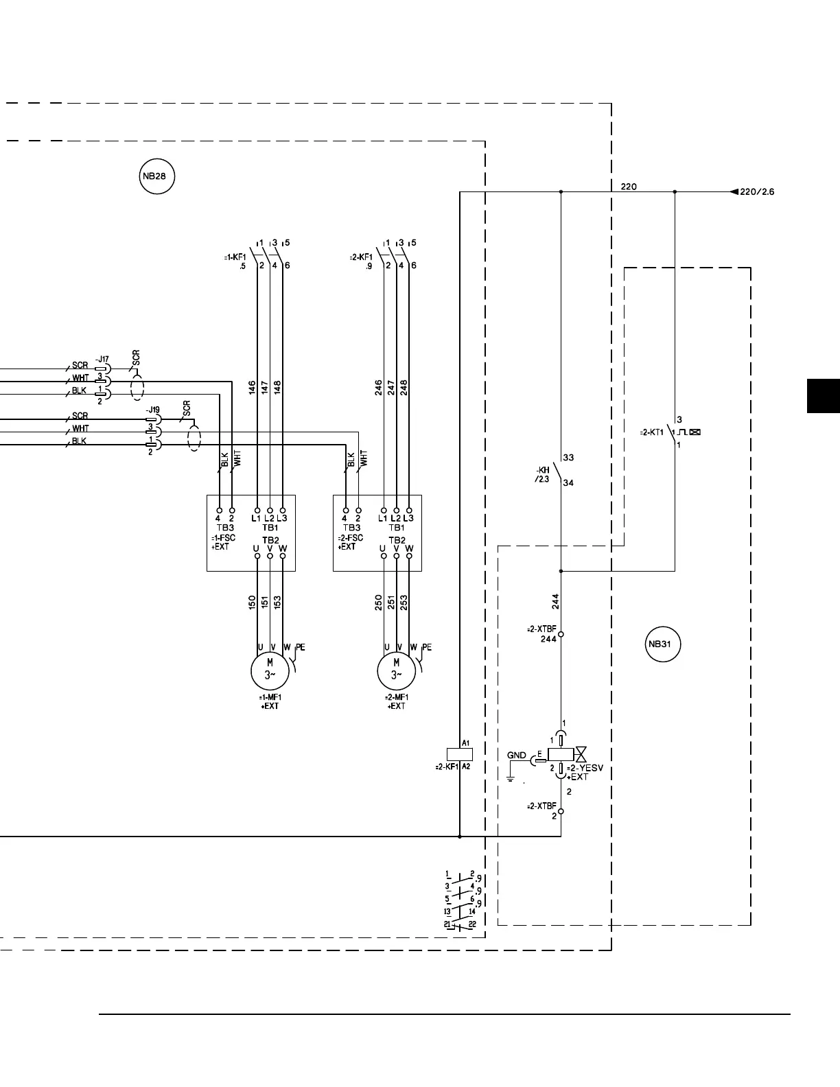
FIGURE 11 - ELEMENTARY WIRING DIAGRAM (CONT’D)

Table of Contents

Related product manuals