EasyManua.ls Logo

Zanotti Zero Series - Page 55

Zanotti Zero Series
78 pages
Print Icon
To Next Page IconTo Next Page
To Next Page IconTo Next Page
To Previous Page IconTo Previous Page
To Previous Page IconTo Previous Page
Loading...
Refrigeration unit
Series Zero Direct-Drive
Z200 | Z250 | Z350 | Z380
Z380 Multi
INSTALLATION MANUAL
rev.01
55
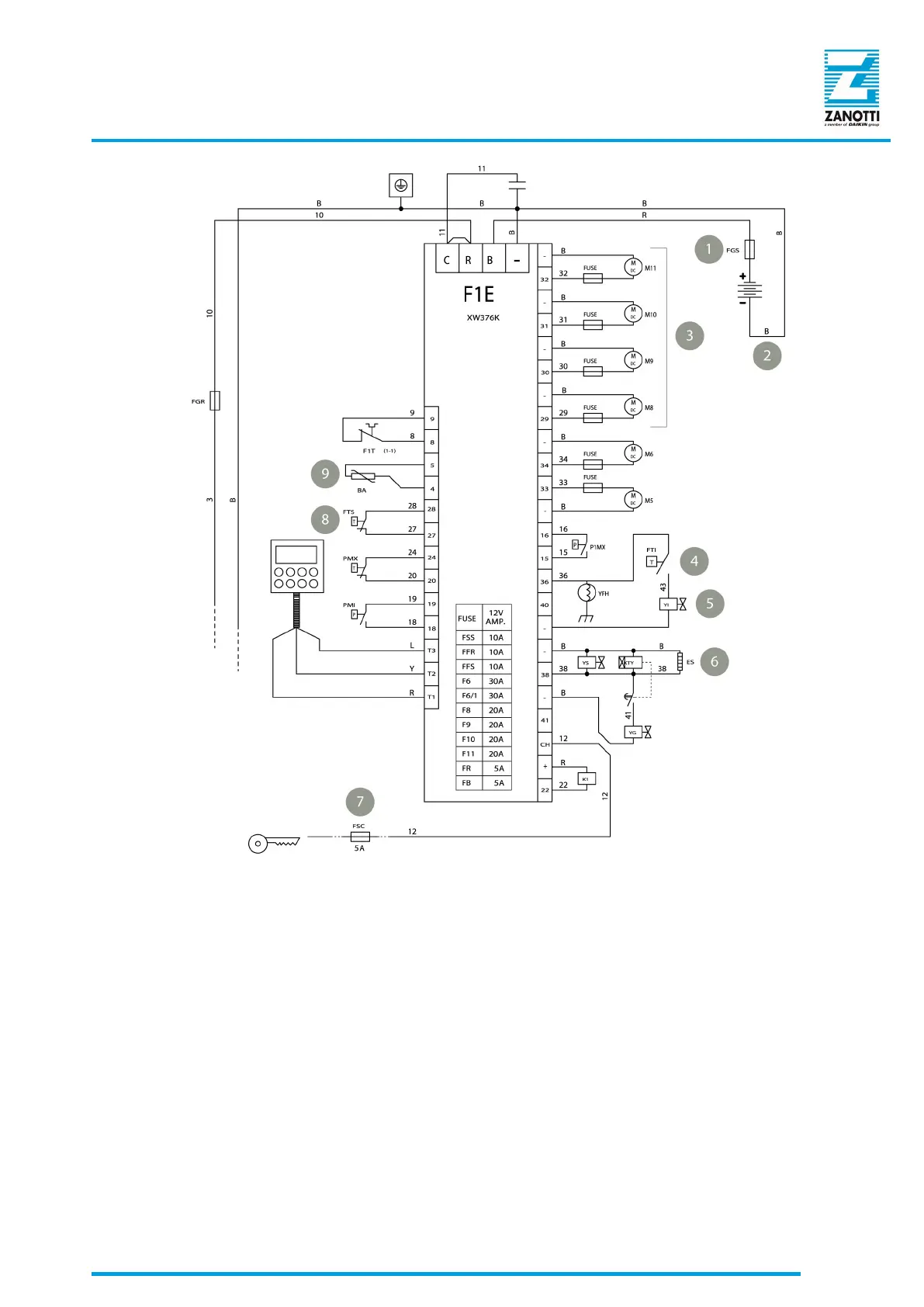
Figure 62 - Electrical connections

Table of Contents

Related product manuals