EasyManua.ls Logo

Zanotti Zero Series - Appendix; Cooling Diagram - Single Temperature Version

Zanotti Zero Series
78 pages
Print Icon
To Next Page IconTo Next Page
To Next Page IconTo Next Page
To Previous Page IconTo Previous Page
To Previous Page IconTo Previous Page
Loading...
INSTALLATION MANUAL
Refrigeration unit
Series Zero Direct-Drive
Z200 | Z250 | Z350 | Z380
Z380 Multi
76
rev.01
4 APPENDIX
4.1 Cooling diagram - single temperature version
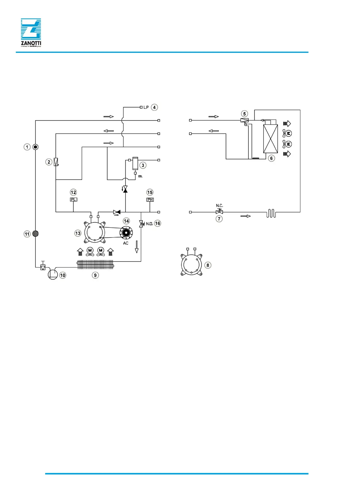
Figure 81 - Cooling diagram (single temperature version)
1 Liquid spyglass 9 Condenser
2 Pressure regulator valve 10 Liquid receiver
3 Oil separator 11 Dehydrating filter
4 Low pressure service socket 12 Low pressure switch
5 Expansion valve 13 Stand-by Compressor
6 Evaporator 14 Electric motor
7 YS defrosting valve 15 High pressure switch
8 Road compressor 16 YG condenser closing valve

Table of Contents

Related product manuals