EasyManua.ls Logo

Zanotti Zero Series - Wiring Diagram with Liquid Injection Valve Kit Installed

Zanotti Zero Series
78 pages
Print Icon
To Next Page IconTo Next Page
To Next Page IconTo Next Page
To Previous Page IconTo Previous Page
To Previous Page IconTo Previous Page
Loading...
INSTALLATION MANUAL
Refrigeration unit
Series Zero Direct-Drive
Z200 | Z250 | Z350 | Z380
Z380 Multi
70
rev.01
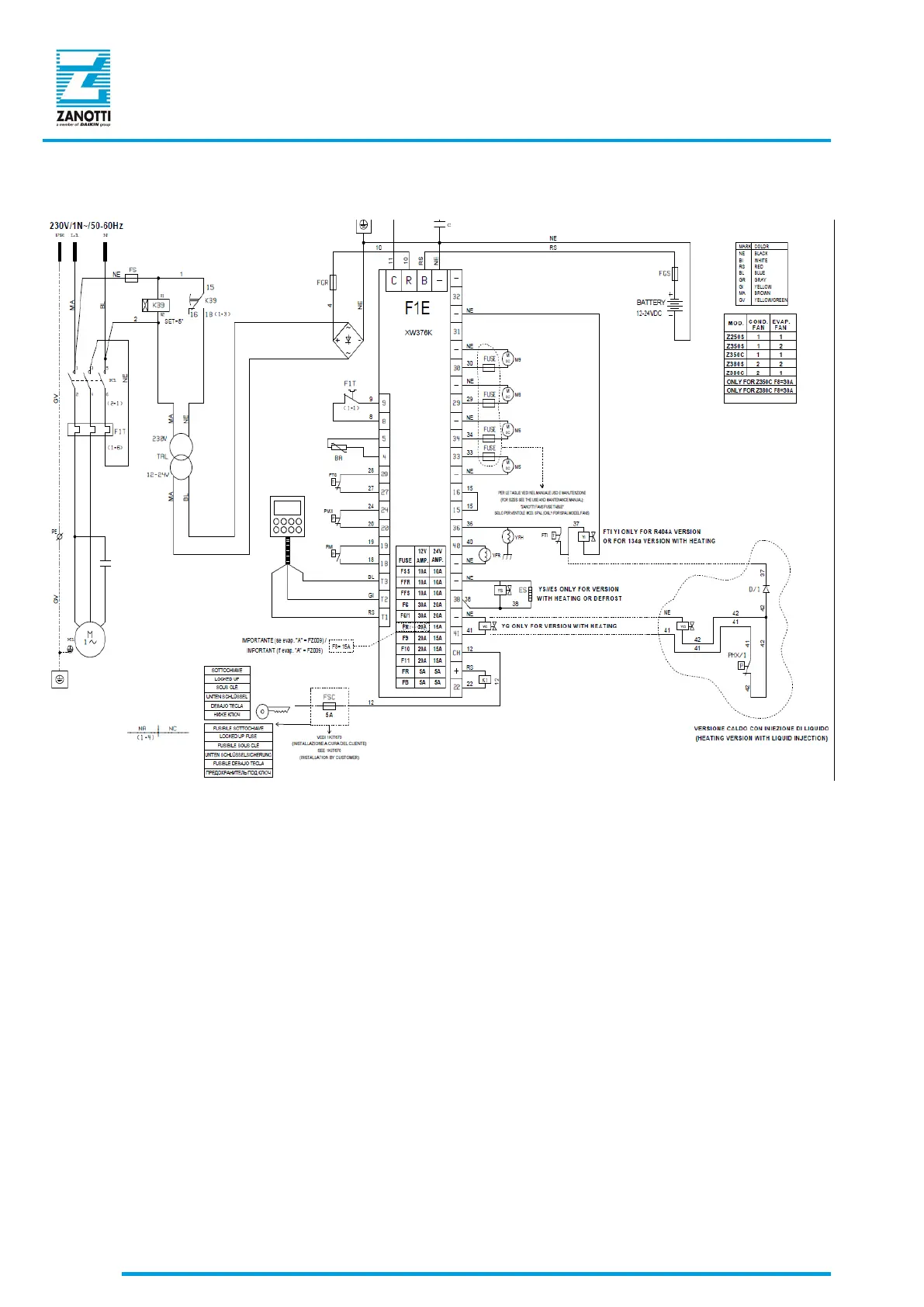
3.18.6 Wiring diagram with liquid injection valve kit installed
Figure 76 - Wiring diagram with liquid injection valve kit

Table of Contents

Related product manuals