EasyManua.ls Logo

ABB DCS 400 - Page 161

ABB DCS 400
192 pages
Print Icon
To Next Page IconTo Next Page
To Next Page IconTo Next Page
To Previous Page IconTo Previous Page
To Previous Page IconTo Previous Page
Loading...
II K 7-3
Serial Interfaces
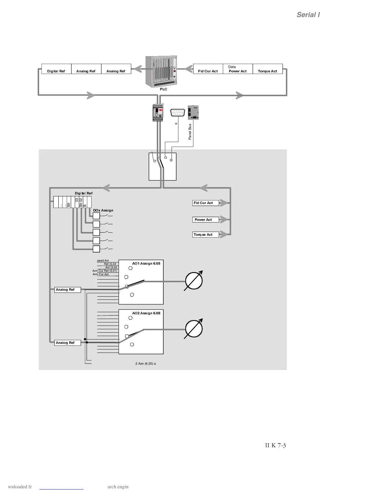
Fig.: 7/3 Overview Dataset 3 and 4. Monitoring the drive via fieldbus communication
8.01
DataSet 4.1
)OG&XU$FW
3/&
RS232-Bus
Panel Bus
DataSet 4.2
3RZHU$FW
DataSet 4.3
7RUTXH$FW
Disable
DO1
$X[6S5HI6HO
$X[6S5HI6HO
Speed Act (5.05)
Speed Ref (5.04)
Arm Volt Act (3.03
Arm Cur Ref (3.01)
Arm Cur Act (3.02)
Power Act (3.21)
Torque Act (3.23)
Fld Cur Act (4.02)
Dataset 3.2
Dataset 3.3
AI1 Act (6.26)
AI2 Act (6.27)
Ramp In Act (5.33)
$2$VVLJQ
for test purposes Dataset 3.2 and 3.3 can be sent back to the PLC
via Dataset 2.2 Asn (6.20) and Dataset 2.3 Asn (6.21)
Speed Act (5.05)
Speed Ref (5.04)
Arm Volt Act (3.03
Arm Cur Ref (3.01)
Arm Cur Act (3.02)
Power Act (3.21)
Torque Act (3.23)
Fld Cur Act (4.02)
Dataset 3.2
Dataset 3.3
AI1 Act (6.26)
AI2 Act (6.27)
Ramp In Act (5.33)
$2$VVLJQ
DataSet 3.1
'LJLWDO5HI
DataSet 3.2
$QDORJ5HI
DataSet 3.3
$QDORJ5HI
Nxxx-01
xxxxxxxx
ADAPTER
BUS
TERMINATION
ON
OFF
RXD
TXD
PE SHF DG D(N) D(P)
X1
X2
PE SHF DG D(N) D(P)SH
XMI T
REC
ERROR
+24V 0V S H
Bit 15
...
...
Bit 05
Bit 04
Bit 03
Bit 02
Bit 01
Bit 00
DO2
DO3
DO4
'LJLWDO5HI
Dataset 3.1
±10 V
±10 V
Dataset 3.2
$QDORJ5HI
Dataset 3.3
$QDORJ5HI
Dataset 3.3
Dataset 3.2
Dataset 4.1
)OG&XU$FW
Dataset 4.2
3RZHU$FW
Dataset 4.3
7RUTXH$FW
DO5
Fieldbus Adapter
6.11
6.12
6.13
6.14
6.15
'2[$VVLJQ

Table of Contents

Related product manuals