EasyManua.ls Logo

ABB DCS 400 - Line Chokes Type ND 07...ND 12; Line Chokes Type ND 13

ABB DCS 400
192 pages
Print Icon
To Next Page IconTo Next Page
To Next Page IconTo Next Page
To Previous Page IconTo Previous Page
To Previous Page IconTo Previous Page
Loading...
II K A-3
Appendix A
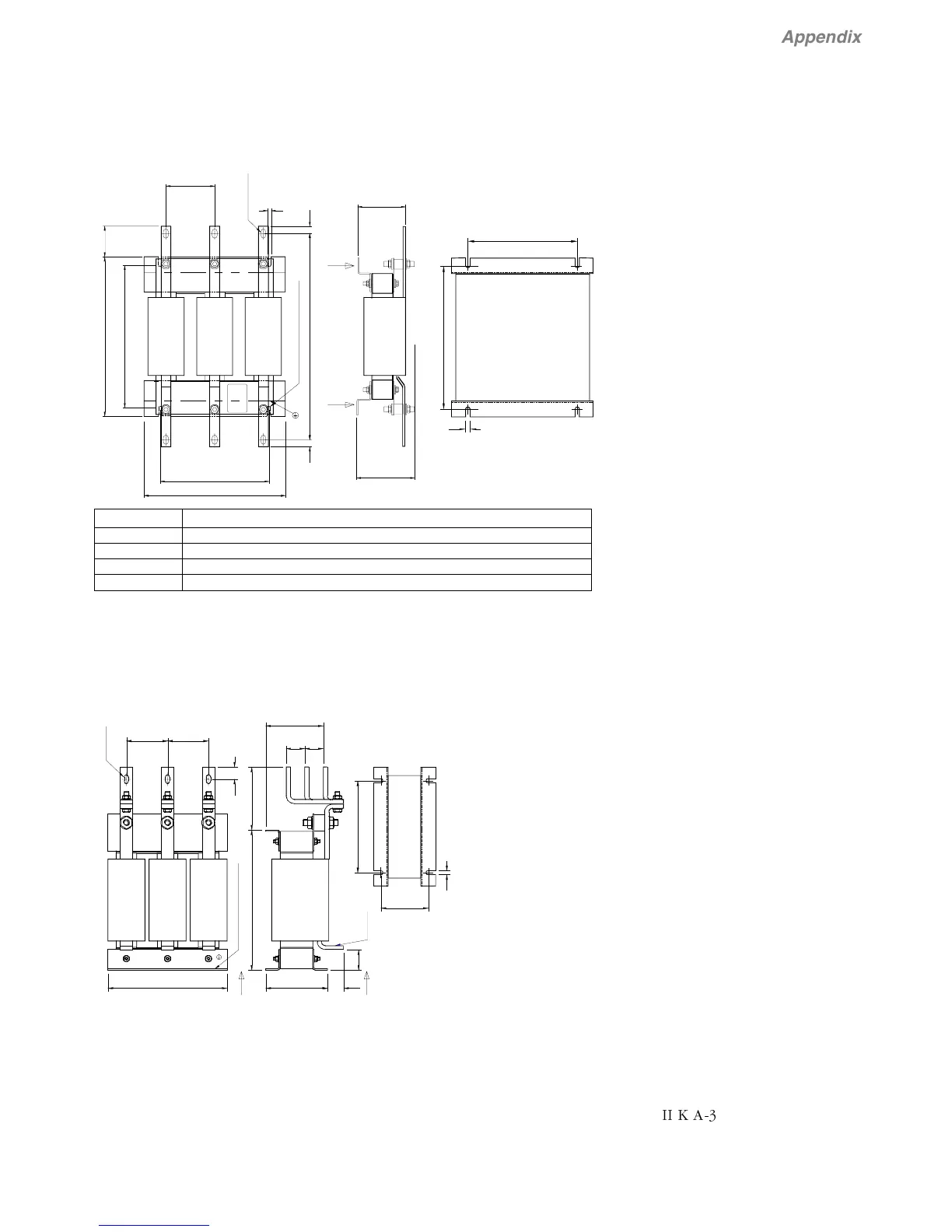
Type A B C D E F G H I K
ND 07 285 230 86 115 253 176 65 80 9x17 385
ND 09 327 290 99 120 292 224 63 100 11x21 423
ND 10 408 290 99 120 373 224 63 100 11x21 504
ND 12 458 290 120 145 423 224 63 100 11x21 554
Line chokes type ND 07...ND 12
C ±1
Max D
B ±1
F ±0.3
H ±2
15
7
3AST 478223 D5
3AFE 10014603
0.0188 mH
490 A
I max 734 A
15
K
I (6x)
G ±4A ±2
E ±2
A-A
E
±2
10
±0.3F
A
A
Line chokes type ND 13
AA
A-A
20x14(3x)
ø13(3x)
100
±2140
45 45
±4154
±2342
±2150 40
50
±2115
10
±1290
100
30
±0.3224
Fig. A/2: Line chokes type ND 07...ND 12
Fig. A/3: Line chokes type ND 13
min 30 Ø without varnish for
conduction to the mounting plate
min 30 Ø without varnish for
conduction to the mounting plate

Table of Contents

Related product manuals