EasyManua.ls Logo

ABB ret650 - Page 565

ABB ret650
670 pages
Print Icon
To Next Page IconTo Next Page
To Next Page IconTo Next Page
To Previous Page IconTo Previous Page
To Previous Page IconTo Previous Page
Loading...
IEC09000390-1-en.vsd
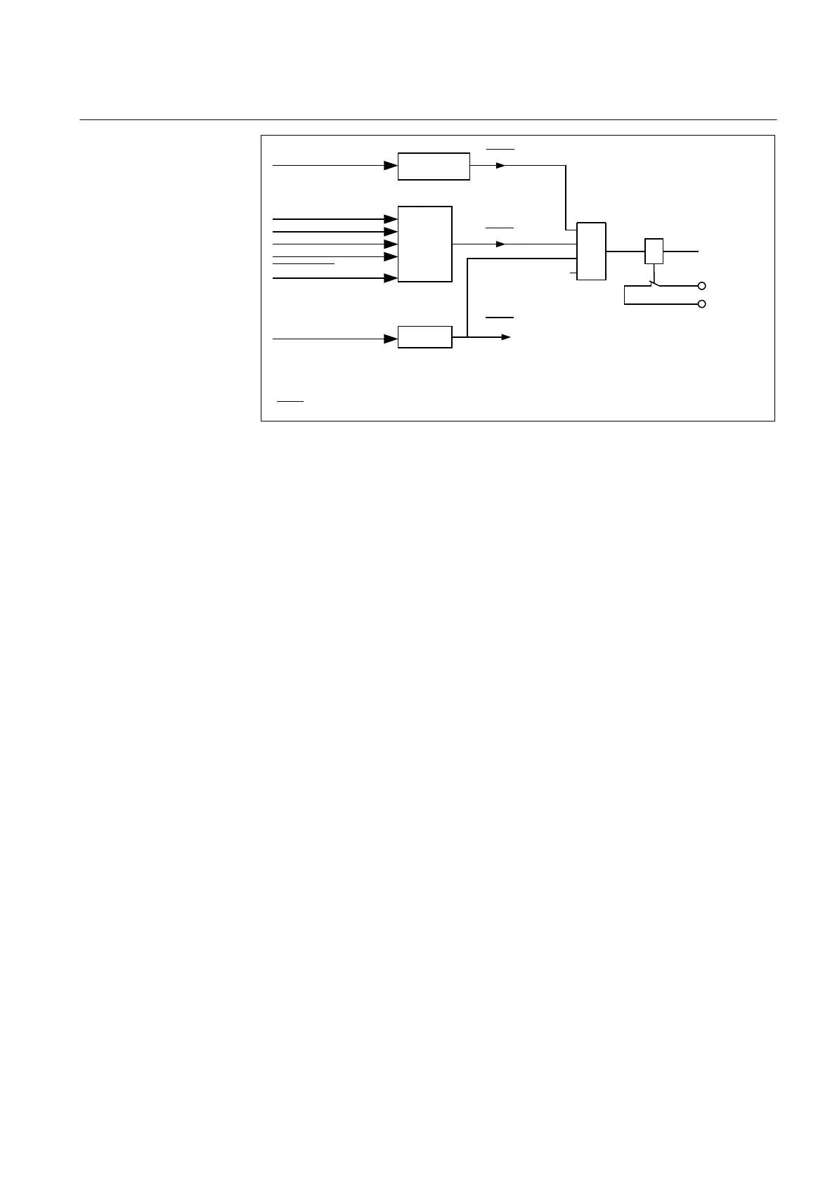
Power supply fault
Watchdog
TX overflow
Master resp.
Supply fault
ReBoot I/O
Internal Fail (CPU)
Power supply
module
I/O nodes
CEM
AND
Fault
Fault
Fault
INTERNAL
FAIL
I/O nodes = BIO
xxxx = Inverted signal
IEC09000390 V1 EN
Figure 249: Hardware self-supervision, potential-free contact
1MRK 504 135-UEN A Section 17
Basic IED functions
559
Technical manual

Table of Contents

Other manuals for ABB ret650

Related product manuals