EasyManua.ls Logo

ABB UniGear Digital - Feeder, Motor & Line Protection Relays

ABB UniGear Digital
112 pages
Print Icon
To Next Page IconTo Next Page
To Next Page IconTo Next Page
To Previous Page IconTo Previous Page
To Previous Page IconTo Previous Page
Loading...
12 1VLG5 00007 E
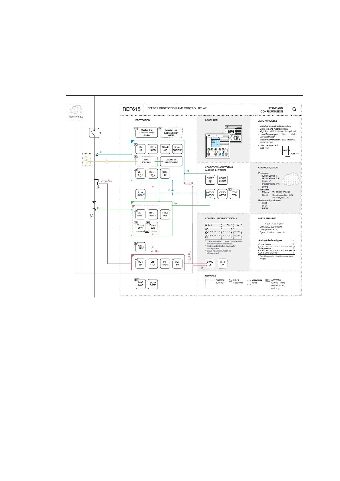
Feeder protection and control REF615
The REF615 is a dedicated feeder protection relay perfectly aligned for protection, control,
measurement and supervision of utilities and industrial power distribution systems including
radial, looped and meshed networks, and involving a potential distributed power generation.
The REF615 can send (1 instance) and / or receive (1 instance) voltage over
the IEC 61850-9-2LE and to synchrocheck with IEC 61850-9-2 LE.
Figure 10: Functionality overview of REF615 standard configuration G

Table of Contents