EasyManua.ls Logo

Agilent Technologies 7000 Triple Quadrupole GC/MS - Page 151

Agilent Technologies 7000 Triple Quadrupole GC/MS
214 pages
To Next Page IconTo Next Page
To Next Page IconTo Next Page
To Previous Page IconTo Previous Page
To Previous Page IconTo Previous Page
Loading...
Analyzers and Collision Cell 7
Troubleshooting and Maintenance Manual 151
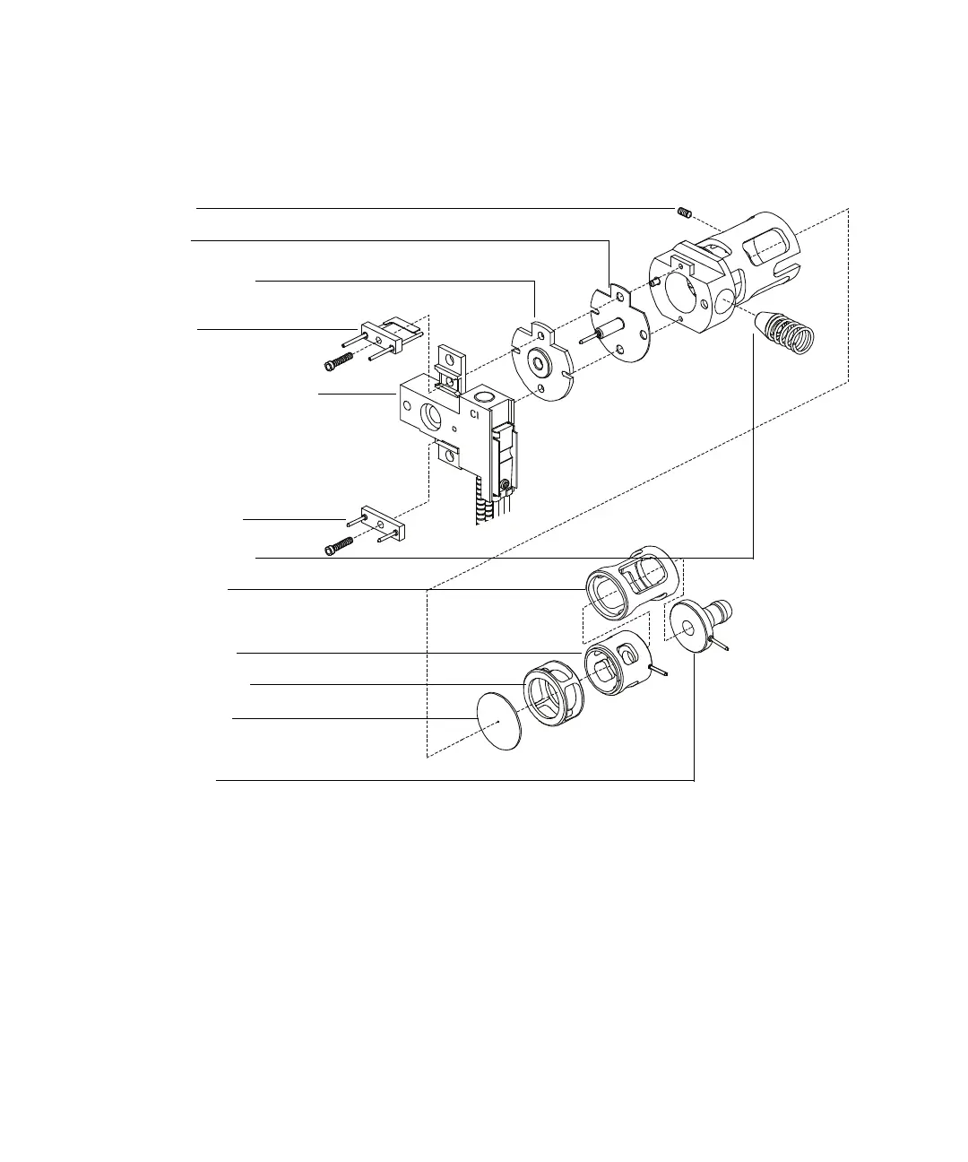
Figure 29 CI ion source exploded view
Setscrew
CI repeller
CI repeller insulator
CI filament
CI ion source heater assembly
CI dummy filament
CI interface tip seal
CI lens insulator
CI ion focus lens
CI drawout cylinder
CI drawout plate
Entrance lens

Table of Contents

Related product manuals