EasyManua.ls Logo

Alcatel-Lucent 7705 SAR-A - Figure 19 100 W High Voltage Power Supply; Figure 20 Wiring the 100 W High Voltage Power Supply

Alcatel-Lucent 7705 SAR-A
154 pages
Print Icon
To Next Page IconTo Next Page
To Next Page IconTo Next Page
To Previous Page IconTo Previous Page
To Previous Page IconTo Previous Page
Loading...
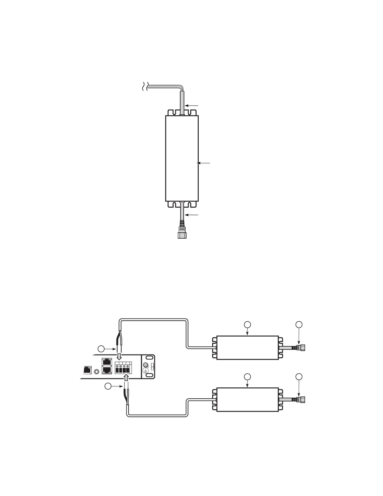
Wiring and Connecting the 100W High Voltage Power Supply to the 7705 SAR-A
90 7705 SAR-A Chassis Installation Guide
Figure 19: 100W High Voltage Power Supply
For redundant power configurations, you must use two power feeds (one for each power
connector on the 7705 SAR-A).
Figure 20 shows the 100W High Voltage Power Supply wired to the 7705 SAR-A; Table 23
identifies the key items in the figure.
Figure 20: Wiring the 100W High Voltage Power Supply
23958
DC Output
Single Feed
High Voltage
AC or DC Input
(IEC320-C14
Connector)
100W
High-Voltage
Power
Supply
Mgmt
ToD Out
Lnk Act
Sync
In
+Batt A
-Batt A
+Batt B
-Batt B
Console
-48 VDC
24036
1
1
2
3
2
3

Table of Contents

Related product manuals