EasyManua.ls Logo

AMI NiteHAWK - Page 37

AMI NiteHAWK
102 pages
Print Icon
To Next Page IconTo Next Page
To Next Page IconTo Next Page
To Previous Page IconTo Previous Page
To Previous Page IconTo Previous Page
Loading...
NiteHAWK Internet Jukebox Sound System Setup
22022613 Rev B 3-13
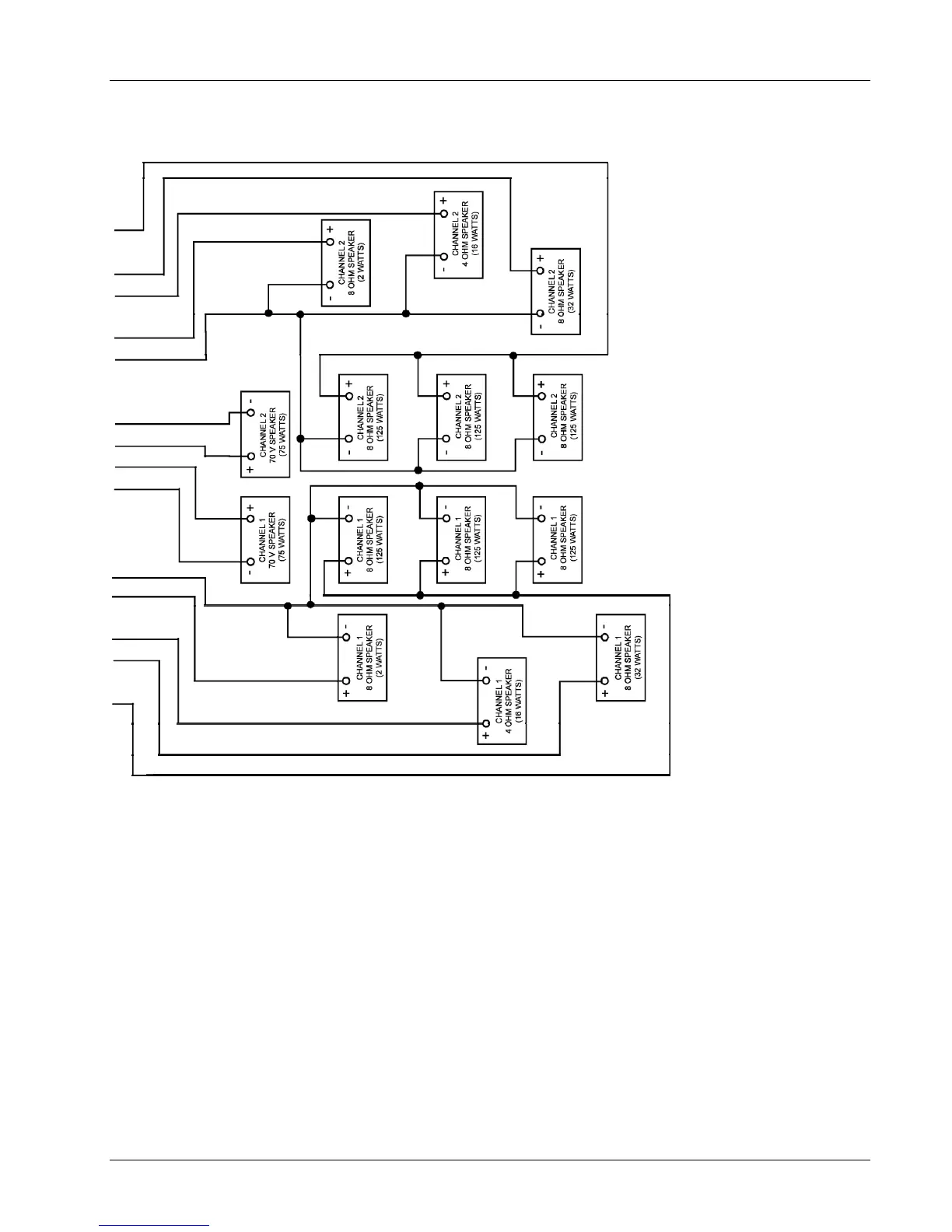
Extension Speakers
NOTE: The 70-volt phrasing is reversed inside the output
transformer assembly.

Table of Contents

Related product manuals