EasyManua.ls Logo

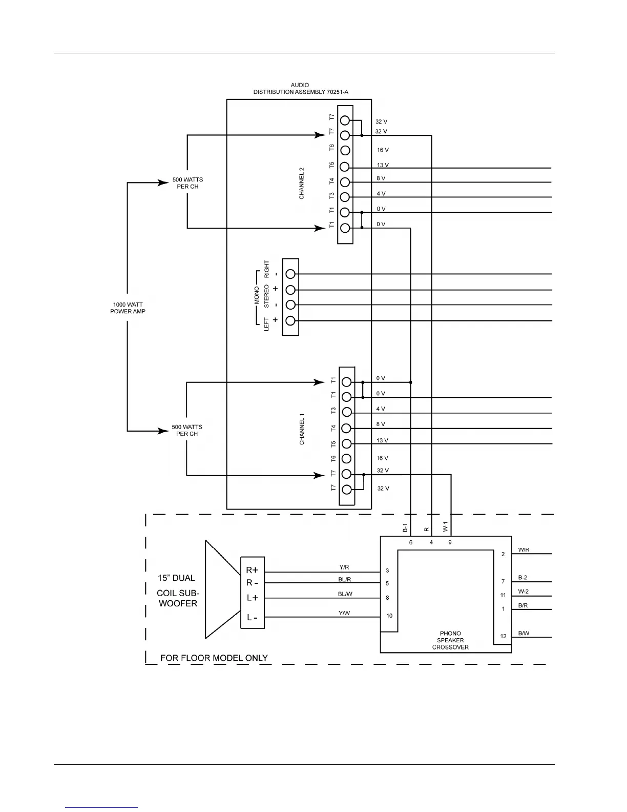
AMI NiteHAWK - Figure 3-4 - Speaker Connections Rock-Ola

AMI NiteHAWK
102 pages
Print Icon
To Next Page IconTo Next Page
To Next Page IconTo Next Page
To Previous Page IconTo Previous Page
To Previous Page IconTo Previous Page
Loading...
Sound System Setup NiteHAWK Internet Jukebox
3-14 22022613 Rev B
Figure 3–4 – Speaker Connections Rock-Ola

Table of Contents

Related product manuals