EasyManua.ls Logo

AMI NiteHAWK - Page 39

AMI NiteHAWK
102 pages
Print Icon
To Next Page IconTo Next Page
To Next Page IconTo Next Page
To Previous Page IconTo Previous Page
To Previous Page IconTo Previous Page
Loading...
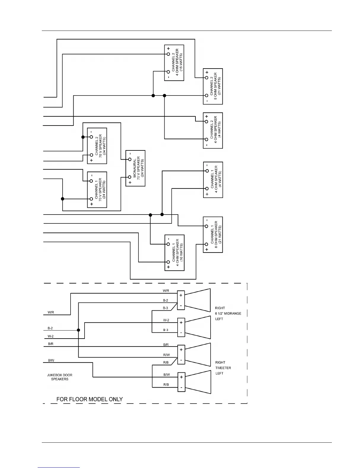
NiteHAWK Internet Jukebox Sound System Setup
22022613 Rev B 3-15

Table of Contents

Related product manuals