EasyManua.ls Logo

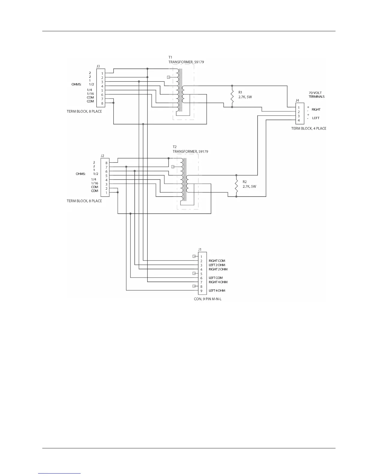
AMI NiteHAWK - Figure 3-6 - Audio Distribution Assembly Wiring Diagram (70251-A)

AMI NiteHAWK
102 pages
Print Icon
To Next Page IconTo Next Page
To Next Page IconTo Next Page
To Previous Page IconTo Previous Page
To Previous Page IconTo Previous Page
Loading...
NiteHAWK Internet Jukebox Sound System Setup
22022613 Rev B 3-17
Figure 3–6 – Audio Distribution Assembly Wiring Diagram (70251-A)

Table of Contents

Related product manuals