EasyManua.ls Logo

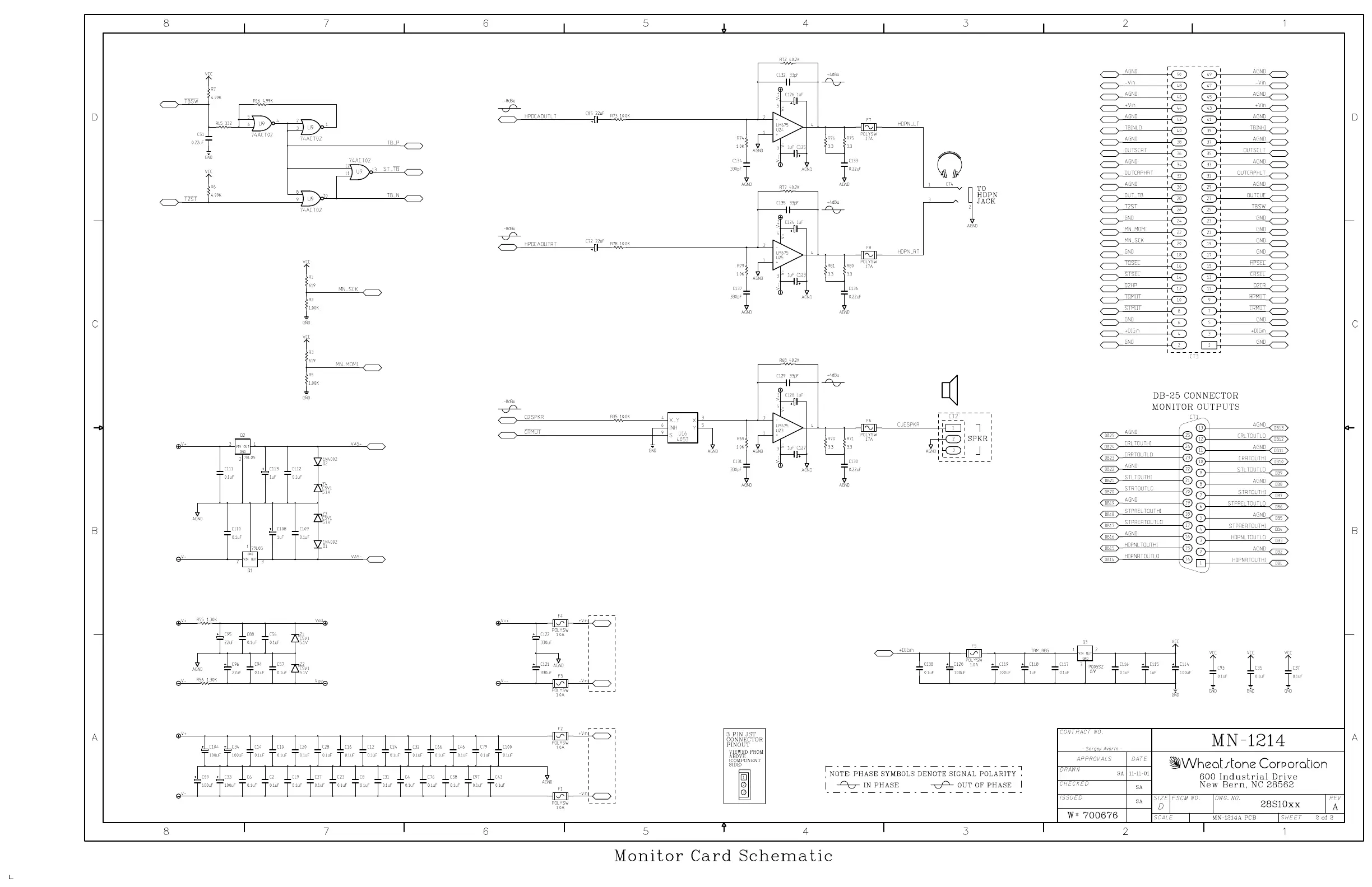
AudioArts Engineering D-16 - Page 100

Default Icon
111 pages
Print Icon
To Next Page IconTo Next Page
To Next Page IconTo Next Page
To Previous Page IconTo Previous Page
To Previous Page IconTo Previous Page
Loading...
page 10 - 18
D-16/Feb 2003

Table of Contents

Related product manuals