EasyManua.ls Logo

AudioArts Engineering D-16 - Monitors, Logic Ports

Default Icon
111 pages
Print Icon
To Next Page IconTo Next Page
To Next Page IconTo Next Page
To Previous Page IconTo Previous Page
To Previous Page IconTo Previous Page
Loading...
D-16/Feb 2003
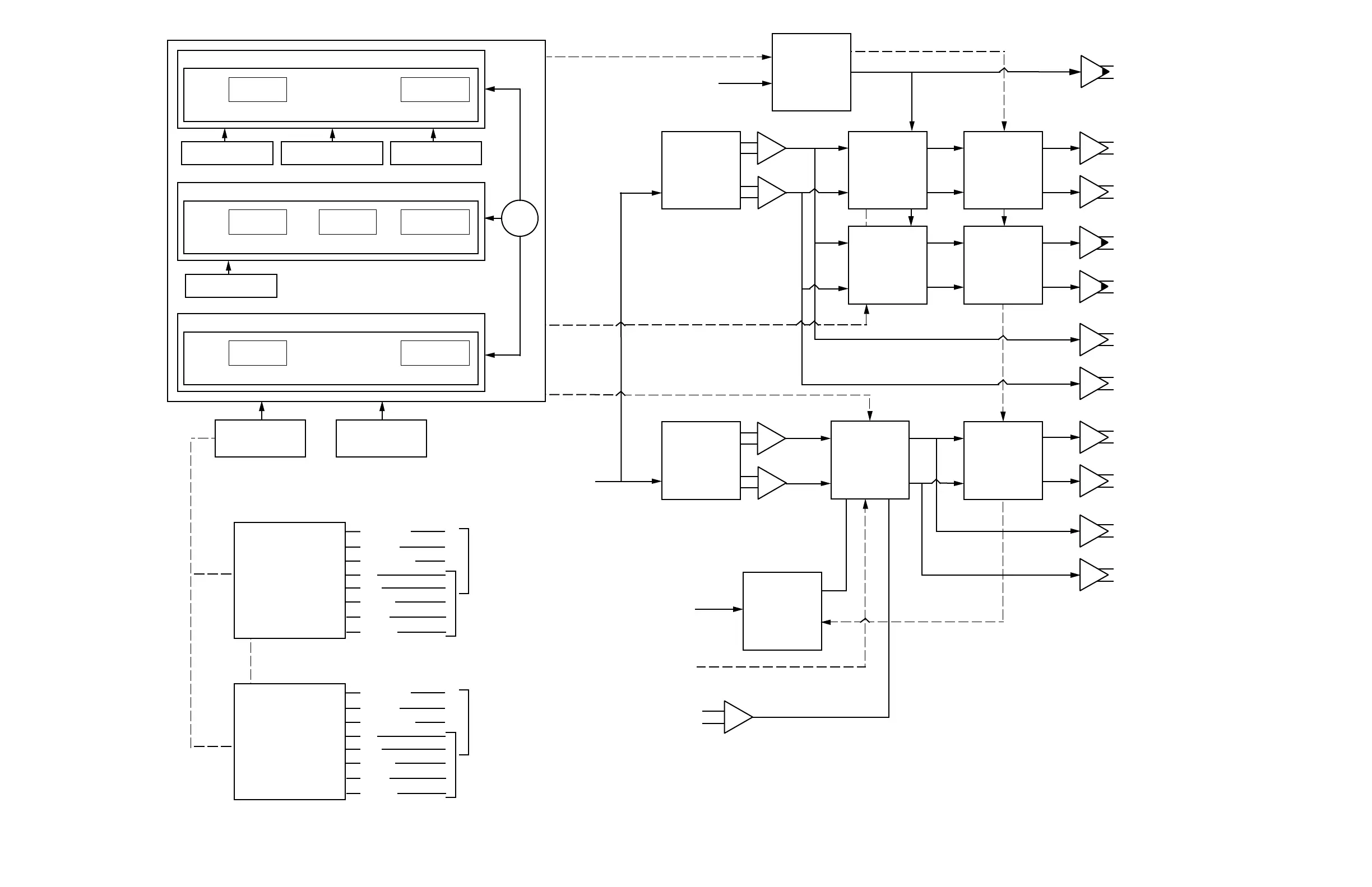
D-16 Signal Flow Diagram - Monitors, Logic Ports
page 10 - 3
SEL DISPLAY
INPUT SELECT
TB
TB SWITCH
ST
MONITOR LOGIC
ST CONTROL
SEL DISPLAY
INPUT SELECT
VU
MONITOR LOGIC
SEL DISPLAY
INPUT SELECT
CR
MONITOR LOGIC
CR CONTROL
HDPN CONTROL CUE CONTROL
ENC
INPUT
SELECTION
OUTPUT
SELECTION
ON TALLY
COUGH
OFF
START
TB TO CUE
ON
STOP
READY
MIC LOGIC
LINE LOGIC
LOGIC PORT
1
ON TALLY
COUGH
OFF
START
TB TO CUE
ON
STOP
READY
MIC LOGIC
LINE LOGIC
LOGIC PORT
8
LOGIC PORT MAPPING
DIGITAL
GAIN
CONTROL
(DGC)
DIGITAL TO
ANALOG
CONVERTER
(DAC)
CUE MONITOR
R
L
DIGITAL
GAIN
CONTROL
(DGC)
R
L
H
L
H
L
CR OUT
CUE
INTERRUPT
FET SW
CUE SPKR
L
L
H
CUE
INTERRUPT
FET SW
DIGITAL
GAIN
CONTROL
(DGC)
L
H
L
H
HP JACK
L
R
DIGITAL
GAIN
CONTROL
(DGC)
R
L
H
L
H
L
HP OUT
R
L
H
L
H
L
ST OUT
TB
INTERRUPT
FET SW
DIGITAL TO
ANALOG
CONVERTER
(DAC)
R
L
DIGITAL
GAIN
CONTROL
(DGC)
R
L
H
L
H
L
ST PRE
FROM DSP
TB INTERRUPT LOGIC
CUE INTERRUPT LOGIC
L
H
TB MONITOR
PRODUCER TB
INTERRUPT LOGIC
PRODUCER
TB LINE LEVEL
MIC INPUT

Table of Contents

Related product manuals