EasyManua.ls Logo

AudioArts Engineering D-16 - Page 89

Default Icon
111 pages
Print Icon
To Next Page IconTo Next Page
To Next Page IconTo Next Page
To Previous Page IconTo Previous Page
To Previous Page IconTo Previous Page
Loading...
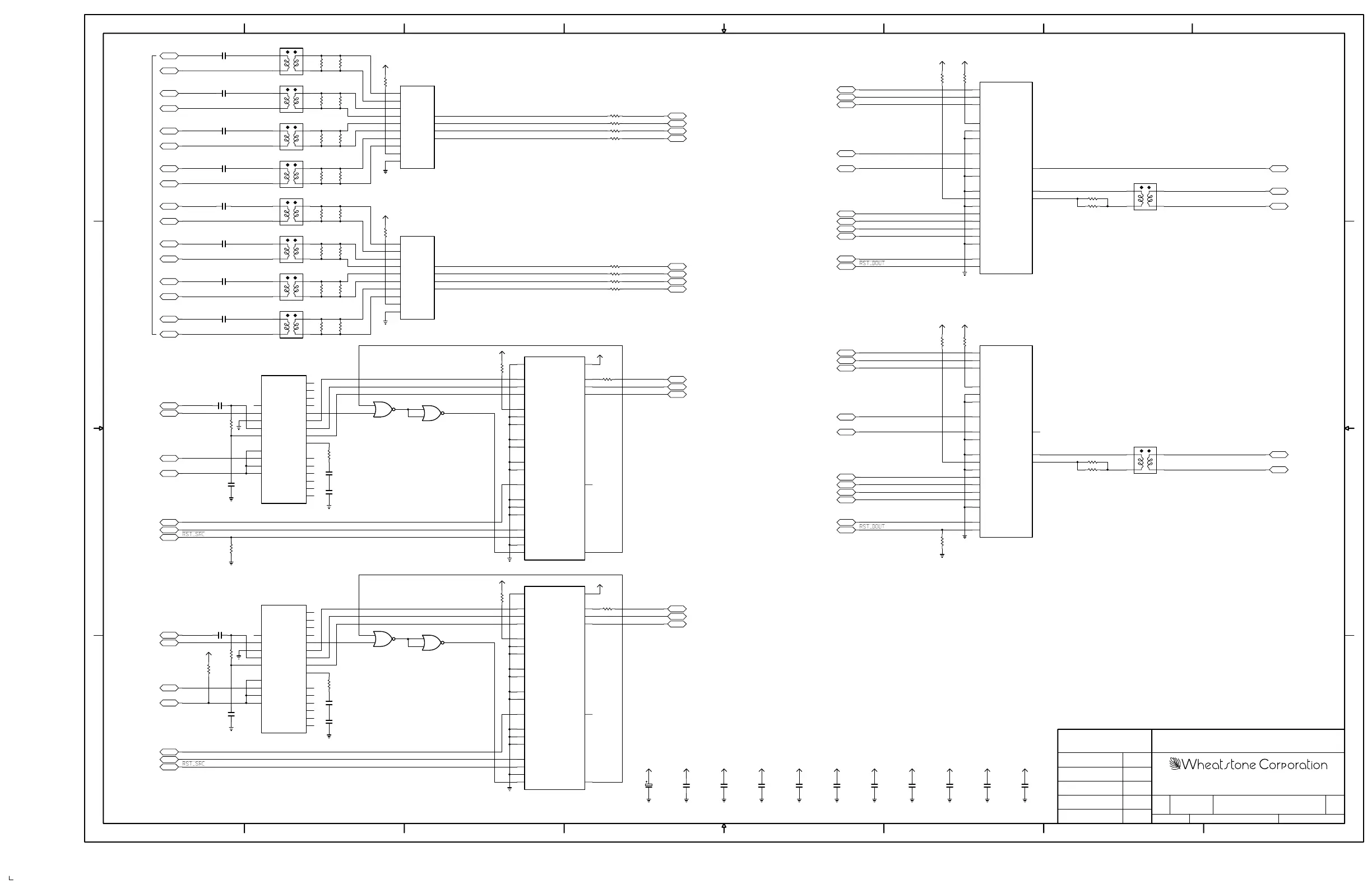
Processor Board Schematic
PR-1214
SA
SA
SA 12-16-04
W# 700674
PR-1214G PCB
28S1008
G
8 of 12
D-16 / Dec 2004
page 10 - 7
18 27 3645
18 27 3645
- SA UR US - Sergey Averin -
DATE
SIZE REV
CONTRACT NO.
SCALE SHEET
DRAWN
CHECKED
ISSUED FSCM NO. DWG. NO.
D
APPROVALS
D
A
C
B
D
A
C
B
New Bern, NC 28562
600 Industrial Drive
R97
220
R123
220
R70
220
R48
220
GND
R150
4.99K
VCC
AM26C32
1314
15
11
10
9
5
6
7
12
4
3
2
1
U33
EN
A+
___
EN
D-
D+
C-
C+
B-
B+
A-
OUTD
OUTC
OUTB
OUTA
R621
1K
0.1uF
C832
0.1uF
C817
GND
74ACT02
11
12
13
U107
74ACT02
4
5
6
U107
74ACT02
1
2
3
U107
74ACT02
8
9
10
U107
R122
220
R96
220
R47
220
R69
220
0.01uFC856
GND
CS8414
28
27
26
25
24
23
20
19
18
17
16
15
14
13
12
1110
9
6
5
4
3
2
1
U121
Ce/F2
FSYNC
FILT
C0/E0
Ca/E1
Cb/E2
Cc/F0
Cd/F1
C
U
VERF
CBL
ERF
SDATA
SCK
__
RXN
M0
M1
M2
M3
MCK
FCK
SEL
RXP
C150 0.1uF
C76 0.1uF
C149 0.1uF
C75 0.1uF
0.01uF
C818
GND
R121
220
R95
220
R46
220
R68
220
GND
R145
4.99K
VCC
AM26C32
1314
15
11
10
9
5
6
7
12
4
3
2
1
U32
EN
A+
___
EN
D-
D+
C-
C+
B-
B+
A-
OUTD
OUTC
OUTB
OUTA
R120
220
R94
220
R45
220
R67
220
C148 0.1uF
C74 0.1uF
C147 0.1uF
C73 0.1uF
R620
1K
0.1uF
C831
0.1uF
C815
GND
0.01uFC855
GND
CS8414
28
27
26
25
24
23
20
19
18
17
16
15
14
13
12
1110
9
6
5
4
3
2
1
U120
Ce/F2
FSYNC
FILT
C0/E0
Ca/E1
Cb/E2
Cc/F0
Cd/F1
C
U
VERF
CBL
ERF
SDATA
SCK
__
RXN
M0
M1
M2
M3
MCK
FCK
SEL
RXP
1.00K
R559
VCC
0.01uF
C816
GND
C595
0.01uF
VCC
GND
C765
0.01uF
+3.3V
GND
0.01uF
C790
VCC
GND
C221
0.01uF
VCC
GND
C223
0.01uF
VCC
GND
0.01uF
C865
VCC
GND
C711
0.01uF
+3.3V
GND
C668
0.01uF
VCC
GND
R605
4.99K
VCC
R596
4.99K
VCC
GND CS8402
24
23
22
21
20
17
16
15
14
13
12
11
10
9
8
7
6
5
4
3
2
1
U114
TXP
CBL/SBC
TXN
___
___
TRNPT/FC1
_____
C6/C2
_____
C7/C3
EM1/C8
EM0/C9
______
C9/C15
SDATA
SCK
FSYNC
MCK
M0
M1
M2
____
V
C/SBF
U
____
PRO
___
RST
C1/FCO
R606
4.99K
VCC
R597
4.99K
VCC
GND CS8402
24
23
22
21
20
17
16
15
14
13
12
11
10
9
8
7
6
5
4
3
2
1
U115
TXP
CBL/SBC
TXN
___
___
TRNPT/FC1
_____
C6/C2
_____
C7/C3
EM1/C8
EM0/C9
______
C9/C15
SDATA
SCK
FSYNC
MCK
M0
M1
M2
____
V
C/SBF
U
____
PRO
___
RST
C1/FCO
0.01uF
C833
VCC
GND
0.01uF
C834
VCC
GND
VCC
GND
C222
1uF
4.99K
R564
GND
4.99K
R586
VCC
4.99K
R522
GND
68R562
R147 220
R146 220
R148 220
R149 220
R152 220
R151 220
R153 220
R154 220
68R560
R584 220
R576 220
220R575
220R563
R594
100
R593
100
6
4
1
3
T2
6
4
1
3
T1
6
4
1
3
T10
6
4
1
3
T6
6
4
1
3
T9
6
4
1
3
T5
6
4
1
3
T8
6
4
1
3
T4
6
4
1
3
T7
6
4
1
3
T3
VCC
GND
VCC
1.00K
R561
AD1896
28
27
26
25
24
23
20
19
18
17
16
1514
13
12
11
10
9
7
6
5
4
32
1
U105
VDD_IO
SDATA_O
SCLK_O
LRCLK_O
MCLK_O
MUTE_O
MMODE_I_0
MMODE_I_1
MMODE_I_2
GRPDLYS
______
RESET
TDM_I
SDATA_I
SCLK_I
LRCLK_I
SMODE_I_0
BYPASS
SMODE_I_1
SMODE_I_2
SMODE_O_0
SMODE_O_1
WLNGTH_O_0
WLNGTH_O_1
MCLK_I
MUTE_I
VCC
GND AD1896
28
27
26
25
24
23
20
19
18
17
16
1514
13
12
11
10
9
7
6
5
4
32
1
U104
VDD_IO
SDATA_O
SCLK_O
LRCLK_O
MCLK_O
MUTE_O
MMODE_I_0
MMODE_I_1
MMODE_I_2
GRPDLYS
______
RESET
TDM_I
SDATA_I
SCLK_I
LRCLK_I
SMODE_I_0
BYPASS
SMODE_I_1
SMODE_I_2
SMODE_O_0
SMODE_O_1
WLNGTH_O_0
WLNGTH_O_1
MCLK_I
MUTE_I
AESIN1HI
AESIN1LO
AESIN2HI
AESIN2LO
FCK_AES
M1_AES
RST_AES
AESIN3HI
AESIN3LO
AESIN4HI
AESIN4LO
I_SDATA13
AESIN5HI
AESIN5LO
AESIN6HI
AESIN6LO
AESIN7HI
AESIN7LO
AESIN8HI
AESIN8LO
INPT13
INPT14
INPT15
INPT16
INPT17
INPT18
INPT19
INPT20
INPT13
INPT14
FCK_AES
I_SDATA14
M1_AES
RST_AES
D_AUDOUTLO
D_AUDOUTHI
D_PGMOUTHI
D_PGMOUTLO
MCLK_DOUT
PGM_DOUT
FCK_DOUT
SCLK_DOUT
C_out
V_out
C6_DOUT
C7_DOUT
EM1_DOUT
EM0_DOUT
CBL_0
EM0_DOUT
EM1_DOUT
C7_DOUT
C6_DOUT
V_out
C_out
SCLK_DOUT
FCK_DOUT
AUD_DOUT
MCLK_DOUT
MCLK_SRC
GPDLYS
MCLK_SRC
GPDLYS
SCLK_SRC
LR_SRC
LR_SRC
SCLK_SRC
I / O NETS

Table of Contents

Related product manuals