EasyManua.ls Logo

Avid Technology Pro Tools SYNC X - GPIO, BI-PHASE;TACH IN, PILOT in DB-25 Port

Avid Technology Pro Tools SYNC X
59 pages
Print Icon
To Next Page IconTo Next Page
To Next Page IconTo Next Page
To Previous Page IconTo Previous Page
To Previous Page IconTo Previous Page
Loading...
44
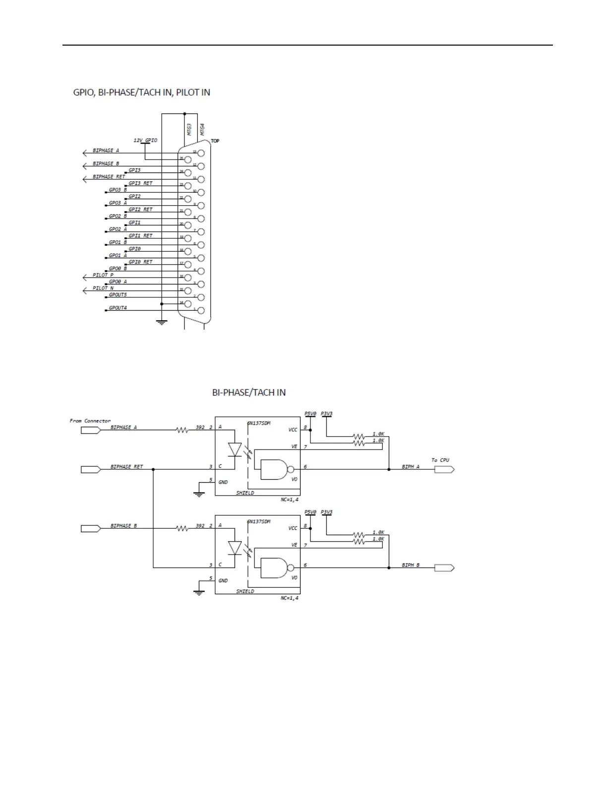
GPIO, BI-PHASE/TACH IN, PILOT IN DB-25 Port
BI-PHASE/TACH IN
GPIO, Bi-Phase/Tach In, Pilot In DB-25 pin-out
Bi-Phase/Tach In

Table of Contents

Related product manuals