EasyManua.ls Logo

Banner EZ-SCREEN - Page 46

Banner EZ-SCREEN
100 pages
Print Icon
To Next Page IconTo Next Page
To Next Page IconTo Next Page
To Previous Page IconTo Previous Page
To Previous Page IconTo Previous Page
Loading...
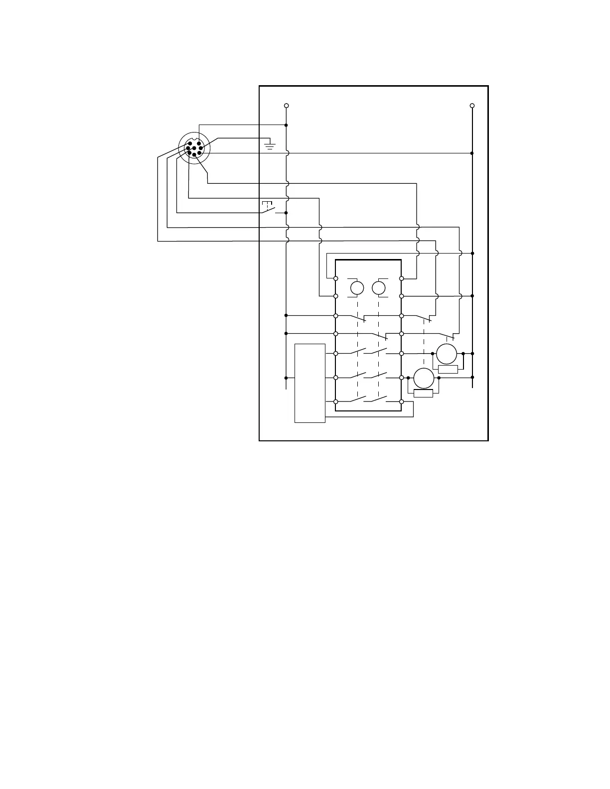
+24V dc 0V dc
S1
S2
Y4
Y2
14
24
34
S3
S4
Y3
Y1
13
23
33
K2 K1
Machine
Control
Feedback (optional)
MPCE
2
MPCE
1
Receiver
8-pin male
Euro-style
face view
IM-T-9A***
Bn (Pin #1)
Gn/Ye (#7)
Bu (#6)
Bk (#5)
Wh (#4)
Vi (#8)
Or (#3)
Or/Bk (#2)
*
*
Reset**
* Installation of transient (arc) suppressors
across the coils of MPCE1 and MPCE2 is
recommended (see Warning).
** Trip (auto reset) – Not connected
*** Other interfacing modules and solutions
available, see Accessories or the
Banner Safety Catalog.
See Accessories—Cordsets for further
QDE-8..D cable information.
Figure 22. Interface Module (2-channel EDM, with reset)—Generic Wiring
EZ-SCREEN
®
14/30 mm Safety Light Screen
46 www.bannerengineering.com - Tel: + 1 888 373 6767

Table of Contents

Other manuals for Banner EZ-SCREEN

Related product manuals